Užpildykite BIM krepšelį iš produktų katalogo

Uponor Smart Radi kampo fiksatorius

- Pagaminta iš balto plastiko
- Radiatoriniam pajungimui iš grindų su 16 mm skersmens PE-Xa ir MLC vamzdžiais
- Dalomas, šarvui 25/20 mm
- Mažiausias c/c 40 mm, įeina 5 mm intarpas

Uponor Smart Radi kampo fiksatorius

Prekės duomenys

Uponor Smart Radi kampo fiksatorius 25/20mm

Dokumentai

Techninė specifikacija
1 KB1119947

Techninė informacija PE-Xa PIPING SYSTEMS (1119947)

Techninė specifikacija
1 KB1118689

Techninė informacija PE-Xa piping systems (1118689)

Montavimo instrukcija
1 KB1062301

Montavimo instrukcija Uni Pipe PLUS (1062301)

Apie

Techninė specifikacija

- Radiatoriui prijungti pritaikytos tvirtinimo detalės ir priedai
- Q&E žiedai užsakomi atskirai (jei nenurodyta kitaip)

Panaudojimas

- Šildymas aukštos ir žemos temperatūros radiatoriais

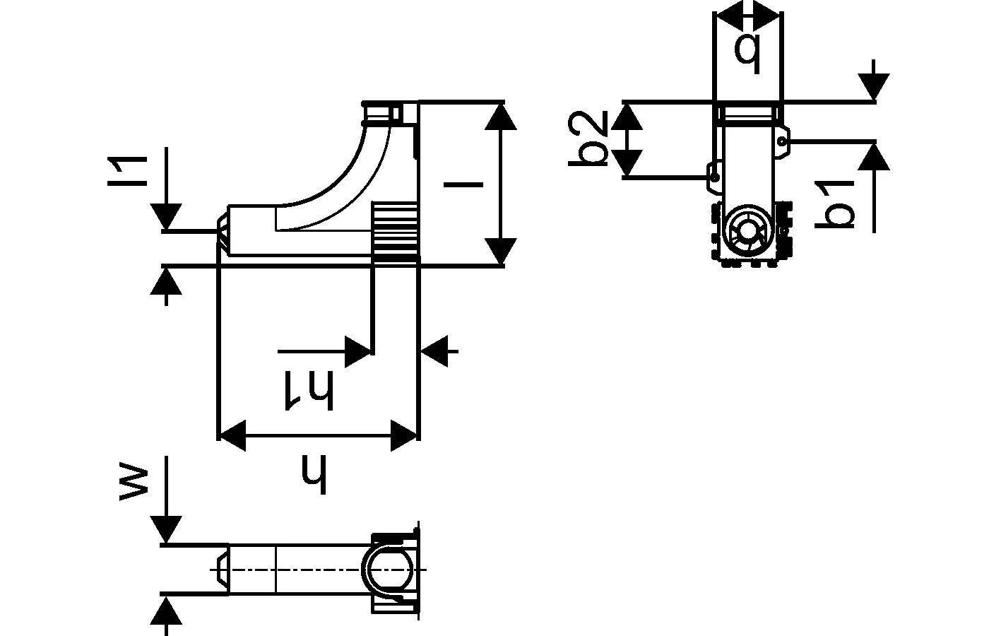
Produktų brėžiniai

1009008_LAB
1009008
91 B
1009008_REN
1009008
140 B
1009008_REN
1009008
54 B
1009008_ZMD
1009008
133 B