Wypełnij koszyk BIM z katalogu produktów
Adres e-mail naszego działu obsługi klienta uległ zmianie — sprawdź na stronie kontakowej

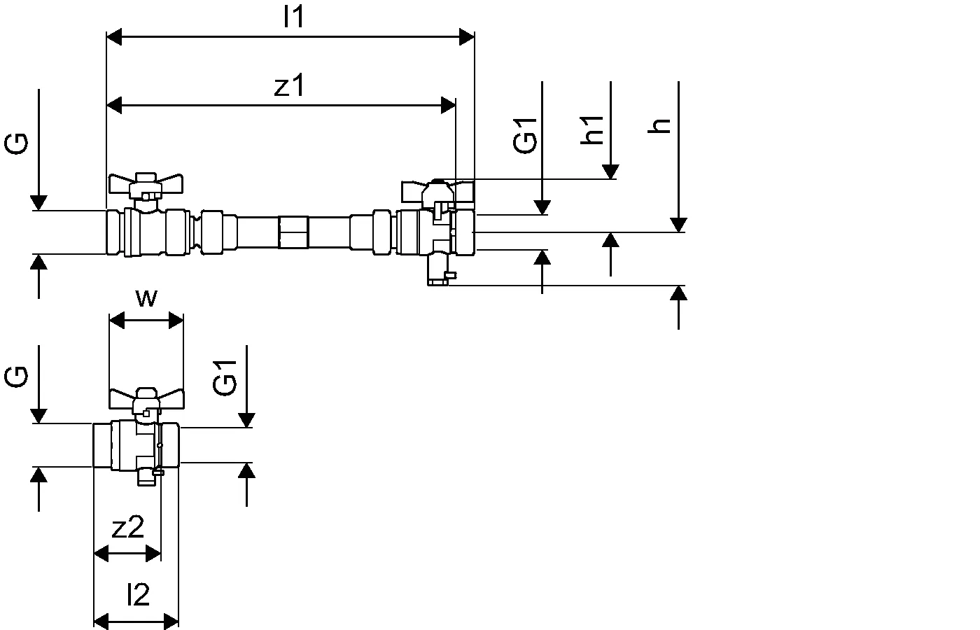
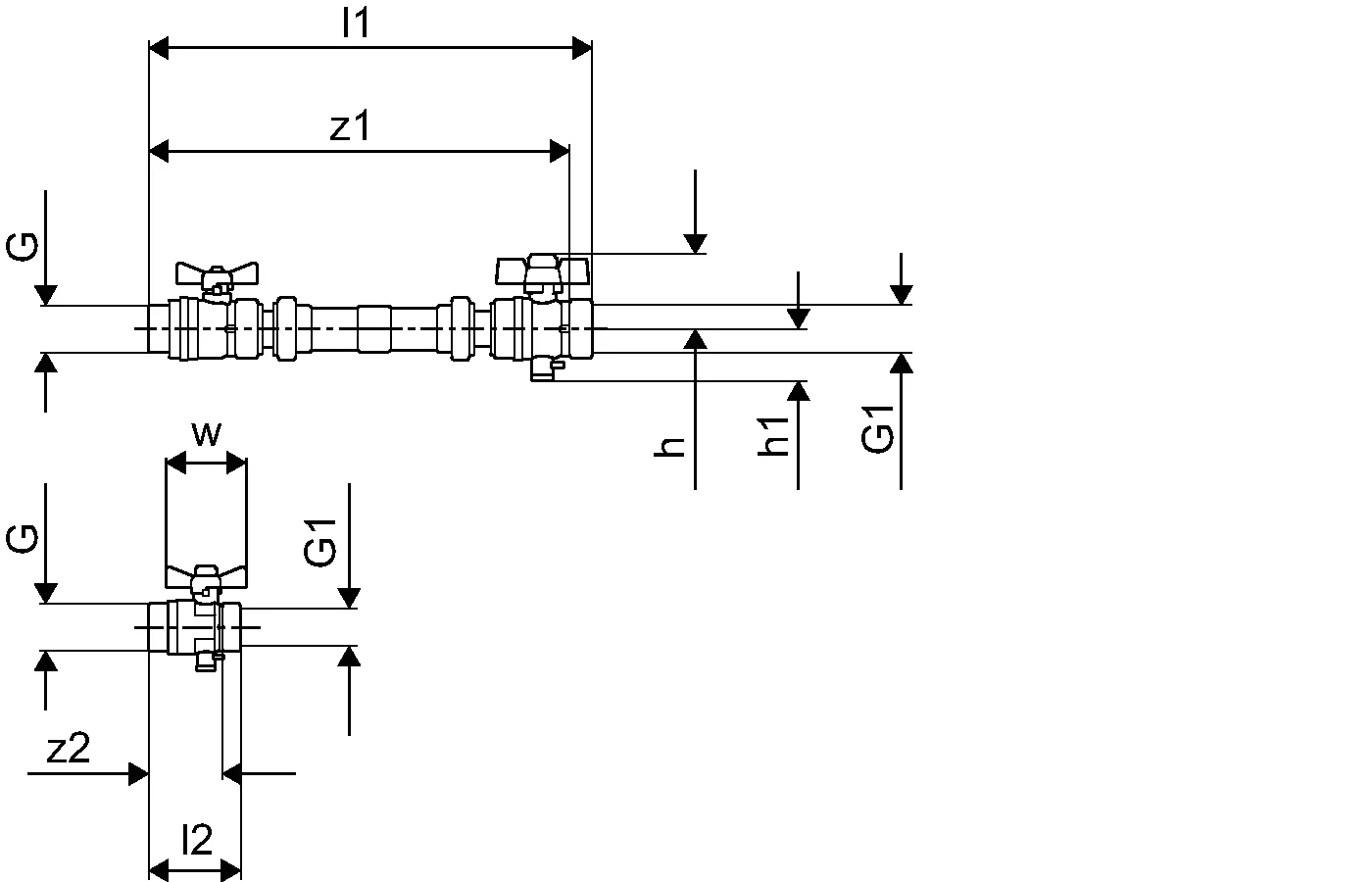
Uponor Vario przyłącze HM G3/4

- zawór mosiężny niklowany
- poziome podłączenie rozdzielacza G1
- bezpośrednie podłączenie dwóch czujników na gwint M10 x 1 do zasilania i powrotu

Uponor Vario przyłącze HM G3/4

Szczegóły dotyczące produktu:

Uponor Vario przyłącze HM G3/4 G3/4" 110mm
Uponor Vario przyłącze HM G1 G1" 130mm

Dokumenty

Informacje techniczne
1 KB1119948

Informacje techniczne PE-Xa PIPING SYSTEMS (1119948)

Rysunki produktów

1090728_LAB
1090728
100 B
1090730_LAB
1090730
95 B
1090728_REN
1090728
108 B
1090730_REN
1090730
112 B
1090730_REN
1090730
112 B
1090728_PHO
1090728_PHO
1 KB
1090730_PHO
1090730_PHO
1 KB
1090728_ZMD
1090728
121 B
1090730_ZMD
1090730
116 B