Uponor Thermatop M
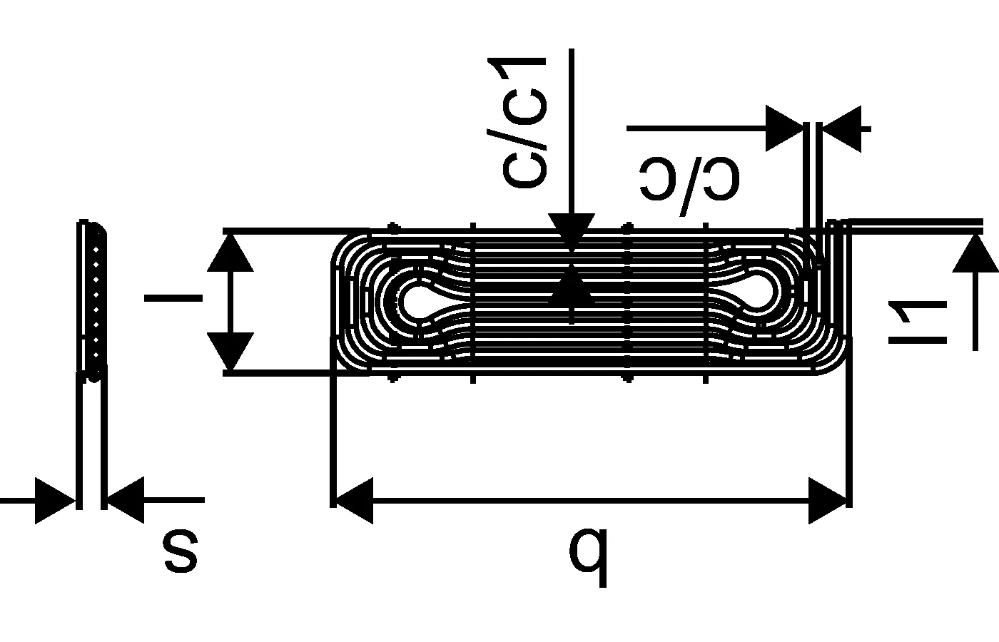
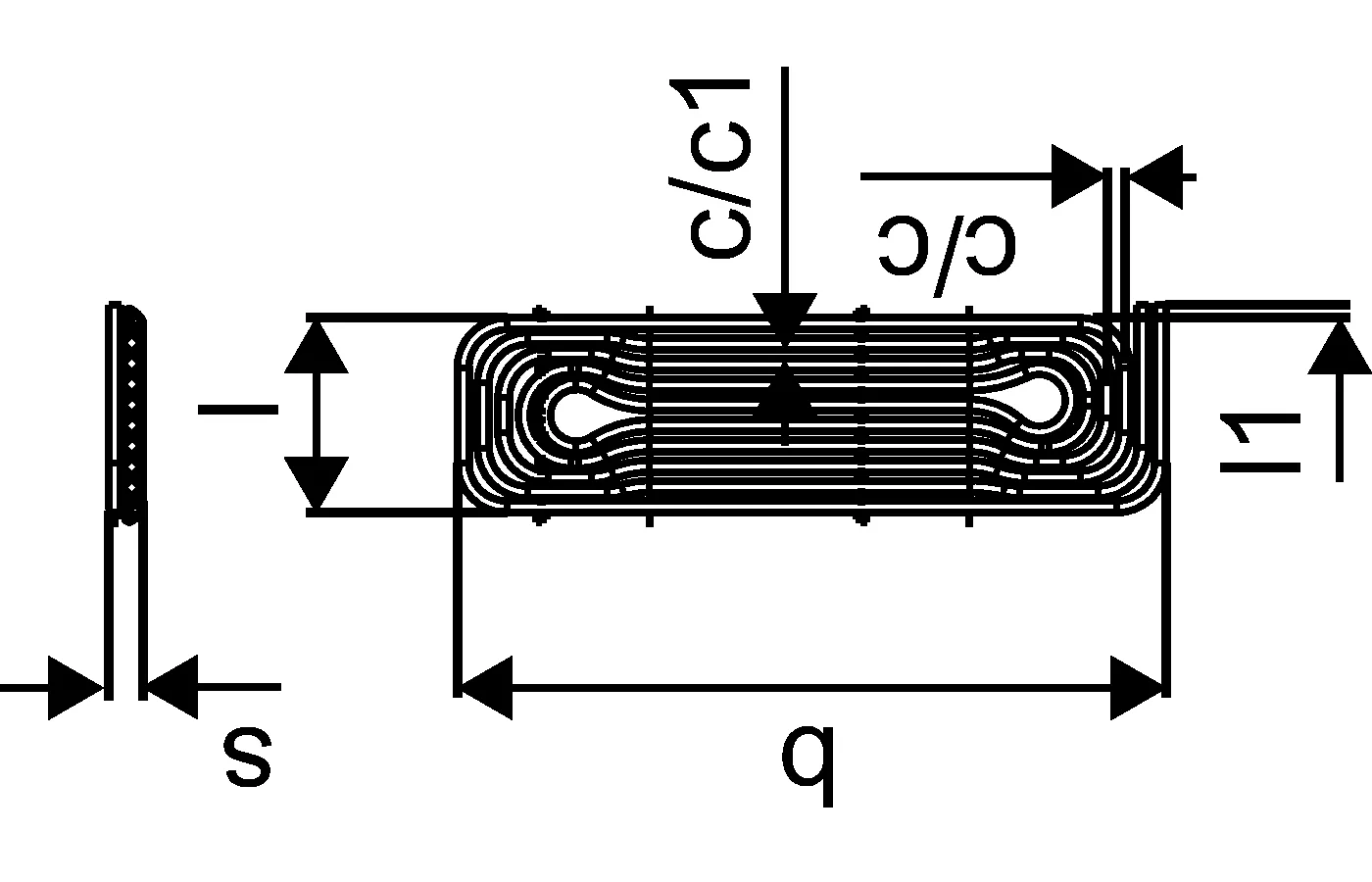
- promiennik wykonany z ruru 16 x 2,0 mm Uni Pipe PLUS w 10 rzędach w ilości do 37,3 m na m² modułu.- dla profili CD w rozstawie 333mm- rura jest w 100% odporna na dyfuzję tenu zgodnie z DIN 4726.- wydajność chłodnicza wg EN 14240 (8K) do 67 W/m²- wydajność grzewcza wg EN 14037 (15K) do 105 W/m².- pochłanianie dźwięku wg DIN EN ISO 354 αw pomiędzy 0,60 - 0,65.- pojemność i parametry akustyczne w zależności od płyty gipsowej.
Szczegóły dotyczące produktu:
Dokumenty
Instrukcja techniczna
Environmental Product Declaration (EPD)
Rysunki produktów
Z-drawing
Rysunki etykiet
Renderowanie
197 B
Download document197 B
Download document197 B
Download document197 B
Download document197 B
Download document166 B
Download document188 B
Download document243 B
Download document245 B
Download document232 B
Download document
