Wypełnij koszyk BIM z katalogu produktów
Adres e-mail naszego działu obsługi klienta uległ zmianie — sprawdź na stronie kontakowej

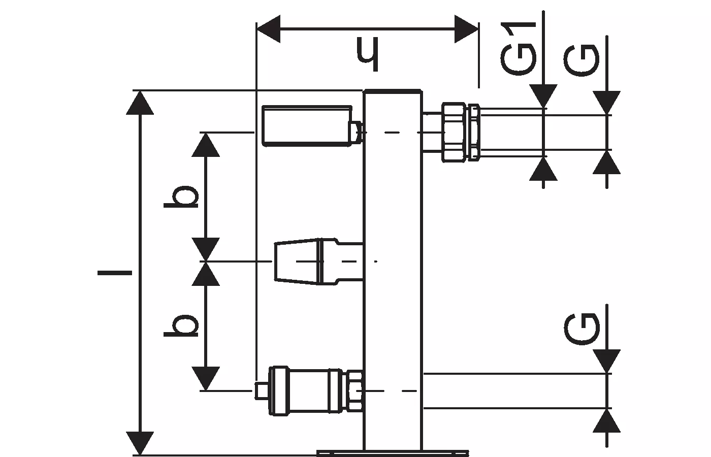
Uponor Fluvia grupa bezpieczeństwa z przyłącz. zbiornika

- z manometrem, zaworem bezpieczeństwa i automatycznym odpowietrznikiem
- ze złączem G3/4 do zbiornika wyrównawczego
- do montażu na ścianie
- materiał: stal malowana proszkowo na czerwono
- instalacja CO

Uponor Fluvia grupa bezpieczeństwa z przyłącz. zbiornika

Szczegóły dotyczące produktu:

Uponor Fluvia grupa bezpieczeństwa z przyłącz. zbiornika 3bar

Dokumenty

Instrukcja instalacji
436 B1137613

Instrukcja instalacji Fluvia safety sets (1137613)

O produkcie

Specyfikacja

- Produkt wstępnie zmontowany
- Zestawy pompowe Fluvia Move ze sterownikiem temperatury wody zasilającej Uponor Smatrix Move
- Fluvia T można zamontować za pomocą uchwytów po lewej lub prawej stronie instalacji

Podanie

- Maks. temperatura obiegu pierwotnego: 90°C
- Maks. temperatura obiegu wtórnego: 55–60°C

Rysunki produktów

1136376_REN
1136376
106 B
1136376_LAB
1136376
75 B
1136376_ZMD
1136376
134 B