Szczegóły dotyczące produktu:
Uponor Aqua PLUS rozdzielacz PPM 3X c/c50mm
Uponor Aqua PLUS rozdzielacz PPM 2X c/c50mm
Dokumenty
Instrukcja techniczna
Instrukcja instalacji Aqua PLUS manifold PPM (1089672)
O produkcie
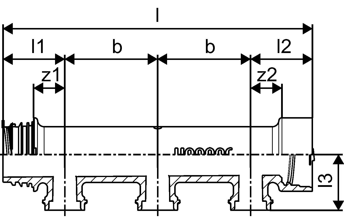
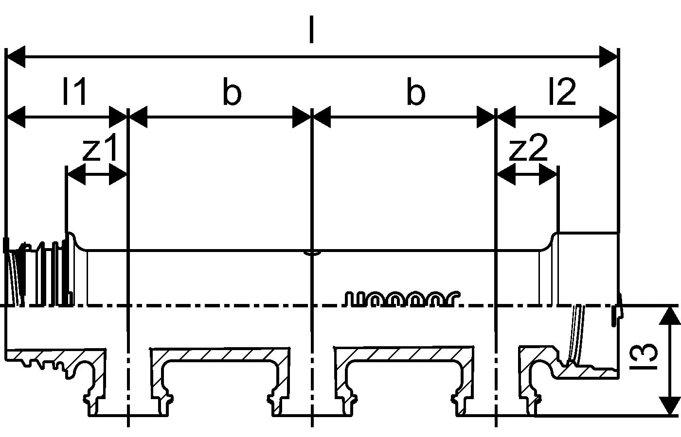
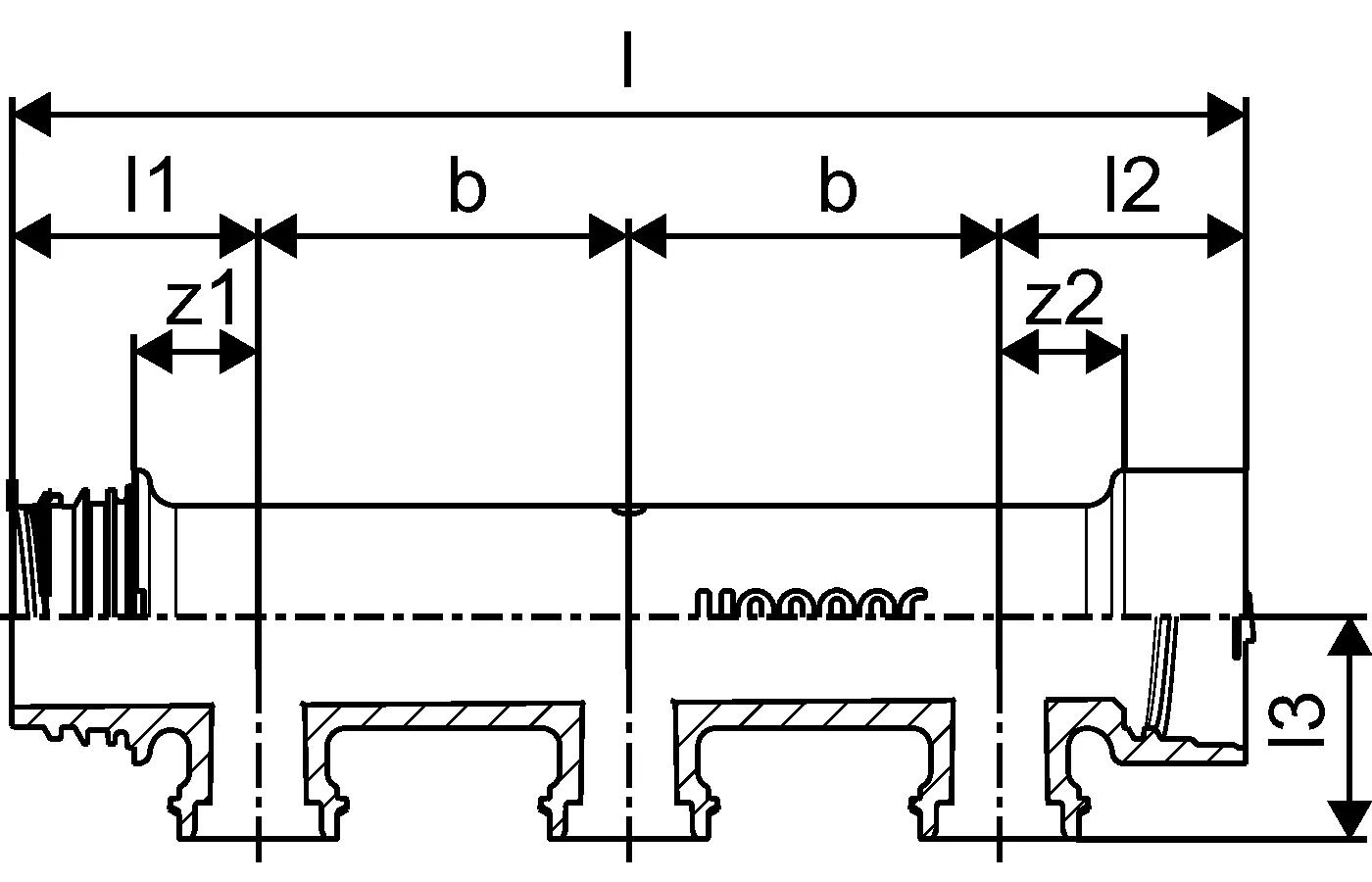
Specyfikacja
- Szafki wodoszczelne spełniające wymogi NT VVS 129- Do rozdzielaczy o rozstawie 50 mm- Do przepustów szafkowych M7- Zawiera szafkę, osłony przeciwrozbryzgowe i zestaw akcesoriów z uchwytami do rozdzielacza- Drzwiczki i ramki (w razie potrzeby) należy zamawiać oddzielnie- RAL 9010- Rozdzielacze z tworzywa sztucznego do instalacji w szafkach wodoszczelnych- Rozdzielacze i akcesoria mogą być używane oddzielnie- W przypadku stosowania rozdzielaczy bez szafek nie można zagwarantować wodoszczelności systemu zgodnie z wymogami NT VVS 129- Złączki metalowe są wykonane z wysokiej jakości mosiądzu- Złączki z tworzywa sztucznego są wykonane z polifenylosulfonu- Rozdzielacze PPM z gwintami bagnetowymi
Podanie
- Instalacje wodoszczelne zapobiegają uszkodzeniom w przypadku przecieku- Wszystkie typy instalacji rozdzielaczowych
Rysunki produktów
Z-drawing
Rysunki etykiet
Renderowanie
.jpg?sitename=Global&ext=.jpg&height=158)