Wypełnij koszyk BIM z katalogu produktów
Adres e-mail naszego działu obsługi klienta uległ zmianie — sprawdź na stronie kontakowej

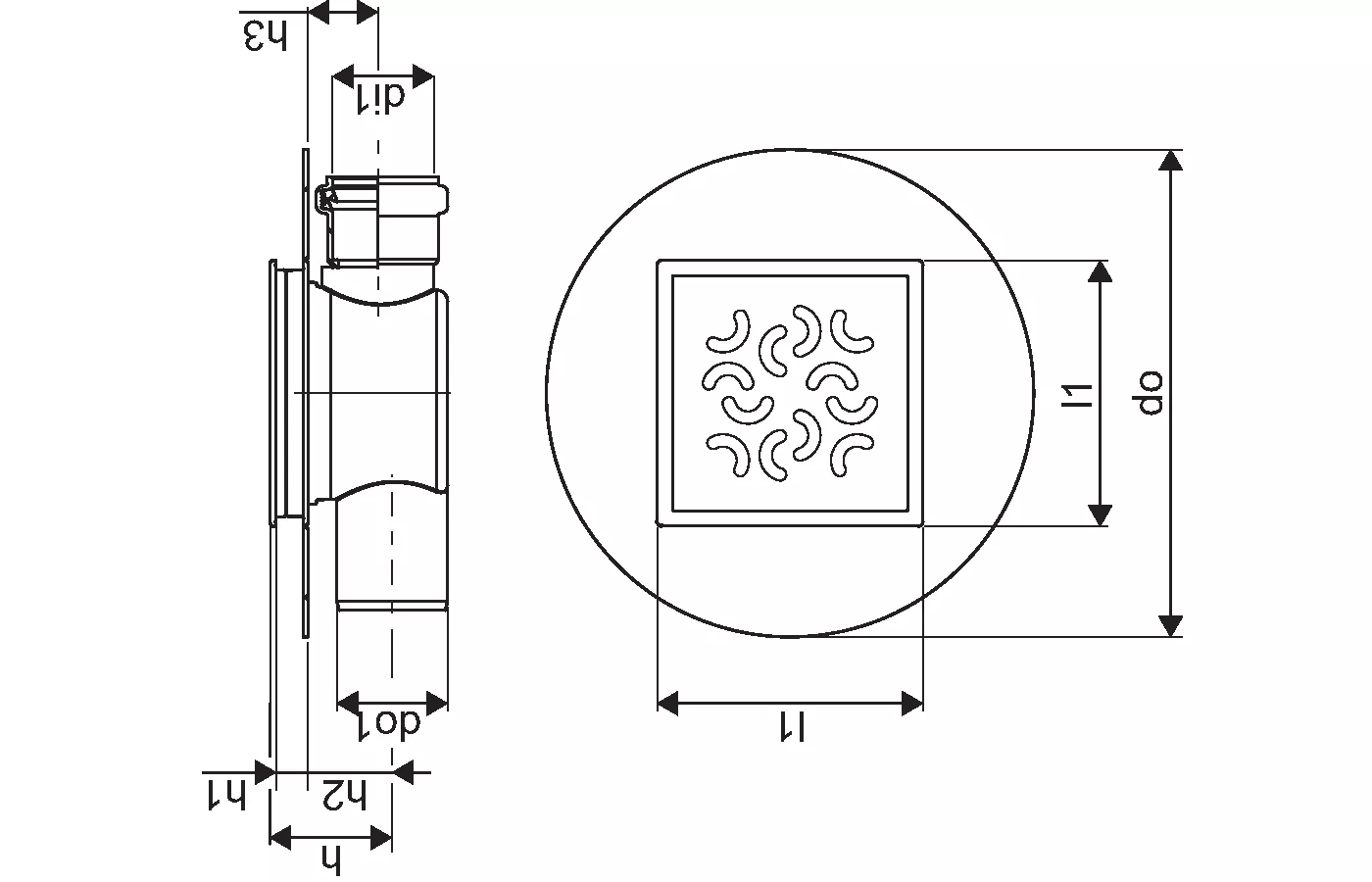
Uponor Aqua Ambient wpust punktowy odpływ przepływowy super/arco

- przyłącze dla rur kanalizacyjnych DN 50
- przepływ: 0,4 l/s
- do zabudowy o niskiej konstrukcji podłogi
- materiał rusztu: stal nierdzewna
- materiał korpusu: polipropylen

Uponor Aqua Ambient wpust punktowy odpływ przepływowy super/arco

Szczegóły dotyczące produktu:

Uponor Aqua Ambient wpust punktowy odpływ przepływowy super/arco FI 50

Dokumenty

Instrukcja instalacji
577 B1139871

Instrukcja instalacji Aqua Ambient point drain inlets (1139871)

O produkcie

Specyfikacja

- Nowoczesne wykonanie, stylowy wygląd oraz wiele dostępnych rozmiarów: 600, 700, 800, 900, 1000 mm
- Szeroki kołnierz uszczelniający (30 mm) zapewnia szczelne połączenie z konstrukcją podłogi
- Regulowana wysokość i mocowane nogi umożliwiają integrację z każdym rodzajem konstrukcji podłogi
- Łatwa instalacja dzięki kompletnemu produktowi kompatybilnemu z instalacją kanalizacyjną (pod względem wielkości rur kanalizacyjnych)
- Syfon można regulować w zakresie 360°

Podanie

- Systemy kanalizacji domowej

Potwierdzenie

- Ocena techniczna zgodnie z EN 1253

Rysunki produktów

1136465_LAB
1136465
89 B
1136465_ZMD
1136465
160 B
1136465_REN
1136465
110 B