Wypełnij koszyk BIM z katalogu produktów

Uponor Aqua PLUS rozdzielacz PPM

Uponor Aqua PLUS rozdzielacz PPM

Szczegóły dotyczące produktu:

Uponor Aqua PLUS rozdzielacz PPM 3X c/c50mm
Uponor Aqua PLUS rozdzielacz PPM 2X c/c50mm
Uponor Aqua PLUS rozdzielacz PPM 1X c/c50mm

Dokumenty

Informacje techniczne
6 KB1103000

Informacje techniczne Aqua PLUS manifold PPM (1103000)

Instrukcja instalacji
2 KB1089672

Instrukcja instalacji Aqua PLUS manifold PPM (1089672)

O produkcie

Specyfikacja

- Rozdzielacze z tworzywa sztucznego w rozstawie krućców 50mm
- rozdzielacze i akcesoria mogą być używane oddzielnie
- złączki metalowe są wykonane z wysokiej jakości mosiądzu
- złączki z tworzywa sztucznego są wykonane z polifenylosulfonu
- rozdzielacze PPM z gwintami bagnetowymi

Podanie

- Instalacje wodoszczelne zapobiegają uszkodzeniom w przypadku przecieku
- wszystkie typy instalacji rozdzielaczowych

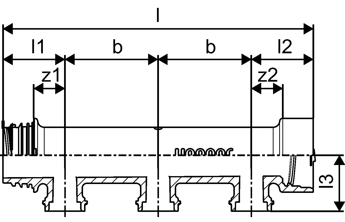
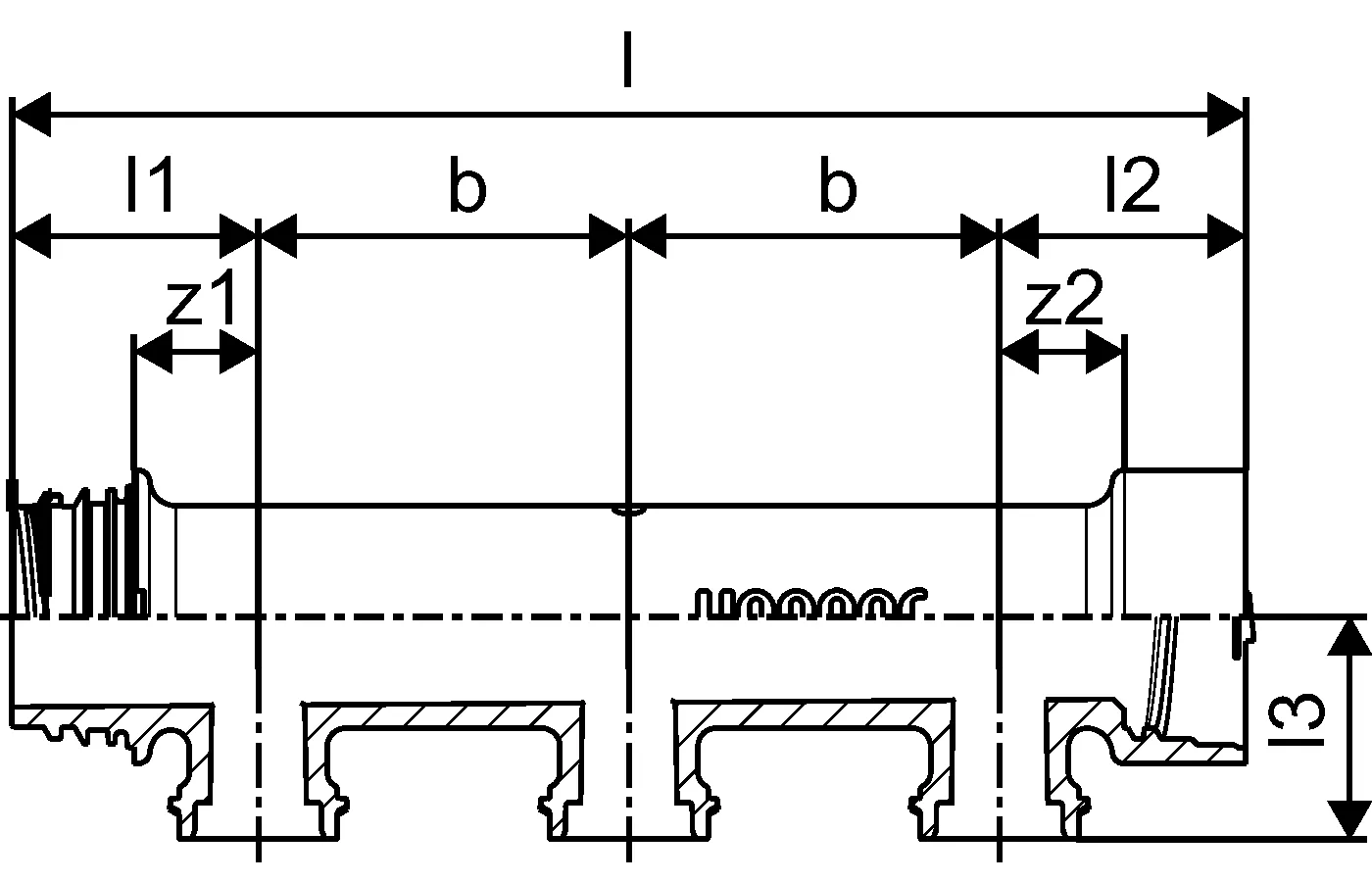
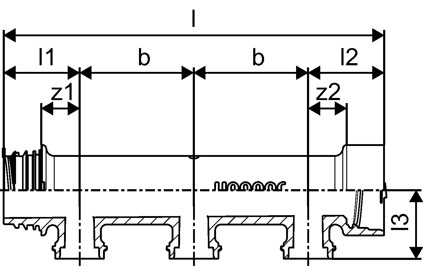
Rysunki produktów

1087121_ZMD
1087121
200 B
1087122_ZMD
1087122
200 B
1087123_ZMD
1087123
200 B
1087121_LAB
1087121
62 B
1087122_LAB
1087122
50 B
1087123_LAB
1087123
44 B
1087121_REN
1087121
226 B
1087121_REN
1087121
75 B
1087122_REN
1087122
81 B
1087123_REN
1087123
100 B