Wypełnij koszyk BIM z katalogu produktów

Uponor Aqua PLUS uchwyt rozdzielacza M7

- uchwyt rozdzielacza 3/4" Q&E lub WTR
- 2 x uchwyt krótki
- 2 x uchwyt długi
- 2 x szyna plastikowa

Uponor Aqua PLUS uchwyt rozdzielacza M7

Szczegóły dotyczące produktu:

Uponor Aqua PLUS uchwyt rozdzielacza M7 3/4"

Dokumenty

Informacje techniczne
1 KB1119948

Informacje techniczne PE-Xa PIPING SYSTEMS (1119948)

Instrukcja instalacji
1 KB1062301

Instrukcja instalacji Uni Pipe PLUS (1062301)

Environmental Product Declaration (EPD)
4 KB1160630

Uponor EPD QetE PPSU

O produkcie

Specyfikacja

- Rozdzielacze z tworzywa sztucznego w rozstawie krućców 50mm
- rozdzielacze i akcesoria mogą być używane oddzielnie
- złączki metalowe są wykonane z wysokiej jakości mosiądzu
- złączki z tworzywa sztucznego są wykonane z polifenylosulfonu
- rozdzielacze PPM z gwintami bagnetowymi

Podanie

- Instalacje wodoszczelne zapobiegają uszkodzeniom w przypadku przecieku
- wszystkie typy instalacji rozdzielaczowych

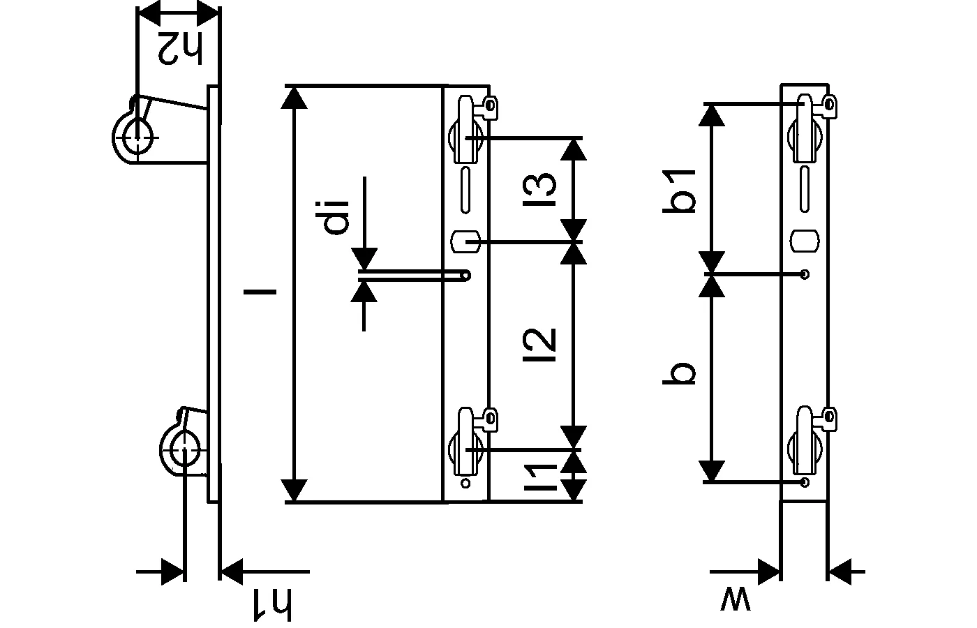
Rysunki produktów

1063469_LAB
1063469
104 B
1063469_REN
1063469
389 B
1063469_REN
1063469
117 B
1063469_ZMD
1063469
145 B