Wypełnij koszyk BIM z katalogu produktów
Adres e-mail naszego działu obsługi klienta uległ zmianie — sprawdź na stronie kontakowej

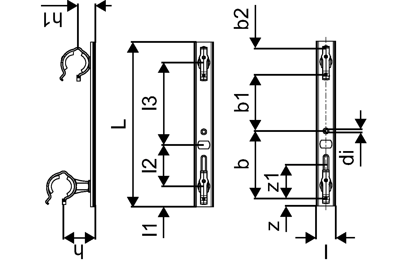
Uponor Aqua PLUS uchwyt rozdzielacza PPM

Uponor Aqua PLUS uchwyt rozdzielacza PPM

Szczegóły dotyczące produktu:

Uponor Aqua PLUS uchwyt rozdzielacza PPM

Dokumenty

Informacje techniczne
6 KB1103000

Informacje techniczne Aqua PLUS manifold PPM (1103000)

Instrukcja instalacji
2 KB1089672

Instrukcja instalacji Aqua PLUS manifold PPM (1089672)

Environmental Product Declaration (EPD)
4 KB1160630

Uponor EPD QetE PPSU

O produkcie

Specyfikacja

- Szafki wodoszczelne spełniające wymogi NT VVS 129
- Do rozdzielaczy o rozstawie 50 mm
- Do przepustów szafkowych M7
- Zawiera szafkę, osłony przeciwrozbryzgowe i zestaw akcesoriów z uchwytami do rozdzielacza
- Drzwiczki i ramki (w razie potrzeby) należy zamawiać oddzielnie
- RAL 9010
- Rozdzielacze z tworzywa sztucznego do instalacji w szafkach wodoszczelnych
- Rozdzielacze i akcesoria mogą być używane oddzielnie
- W przypadku stosowania rozdzielaczy bez szafek nie można zagwarantować wodoszczelności systemu zgodnie z wymogami NT VVS 129
- Złączki metalowe są wykonane z wysokiej jakości mosiądzu
- Złączki z tworzywa sztucznego są wykonane z polifenylosulfonu
- Rozdzielacze PPM z gwintami bagnetowymi

Podanie

- Instalacje wodoszczelne zapobiegają uszkodzeniom w przypadku przecieku
- Wszystkie typy instalacji rozdzielaczowych

Rysunki produktów

1092021_LAB
1092021
117 B
1092021_REN
1092021
68 B
1092021_REN
1092021
59 B
1092021_ZMD
1092021
181 B