Szczegóły dotyczące produktu:
GF Aquasystem złączka okr. PP-R Grey 20-1/2"MT
GF Aquasystem złączka okr. PP-R Grey 25-1/2"MT
Dokumenty
Environmental Product Declaration (EPD)
O produkcie
Specyfikacja
- AQUASYSTEM jest jednym z najbardziej niezawodnych i najwyższej jakości systemów PP-R na rynku. Idealnie nadaje się do przesyłania ciepłej i zimnej wody w różnych systemach budowlanych, a także w zastosowaniach przemysłowych i morskich. System charakteryzuje się wysoką odpornością na temperaturę i ciśnienie, jest higienicznie bezpieczny i dopuszczony do stosowania w instalacjach zimnej wody. Dzięki odporności chemicznej system doskonale sprawdza się również podczas przesyłania lub podczas odprowadzania substancji chemicznych.
Podanie
- Systemy centralnego ogrzewania- systemy ciepłej i zimnej wody- systemy zasilania wodą pitną i wodą uzdatnioną- przemysłowe systemy rurowe (transport i odprowadzanie chemikaliów)- systemy klimatyzacji- kolektory słoneczne
Potwierdzenie
- Jeszcze nie ustalono — Sebastian przekaże informację w późniejszym terminie
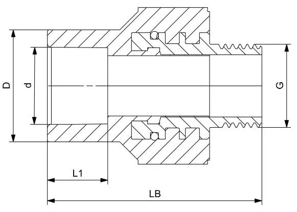
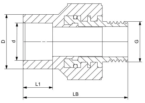
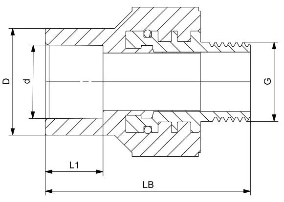
Rysunki produktów
Z-drawing
Inne
.jpg?sitename=Global&ext=.jpg&height=440)
.jpg?sitename=Global&ext=.jpg&height=158)