Wypełnij koszyk BIM z katalogu produktów
Adres e-mail naszego działu obsługi klienta uległ zmianie — sprawdź na stronie kontakowej

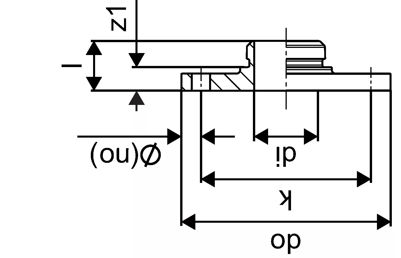
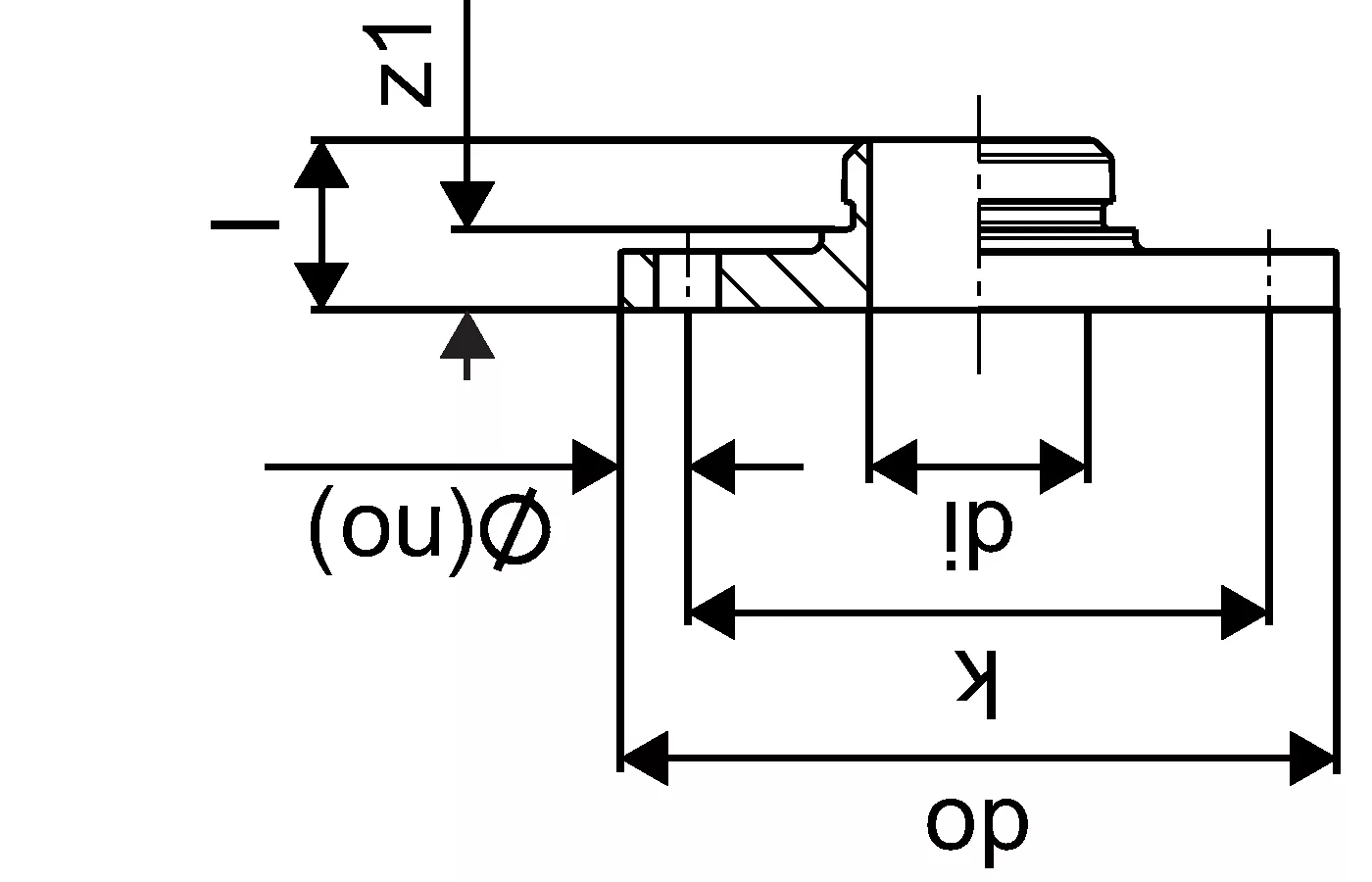
Uponor RS adapter kołnierzowy

- z mosiądzu powlekanego cyną
- pasuje do wszystkich korpusów bazowych RS2 lub RS3
- kołnierz PN6/PN16 zgodny z EN 1092-3
- okrąg śrubowy z 4/8 otworów.

Uponor RS adapter kołnierzowy

Szczegóły dotyczące produktu:

Uponor RS adapter kołnierzowy RS2-DN65 (PN16)
Uponor RS adapter kołnierzowy RS3-DN80 (PN16)
Uponor RS adapter kołnierzowy RS3-DN100 (PN16)

Dokumenty

Instrukcja instalacji
1 KB1187006

Instrukcja instalacji PE-Xa (1187006)

Raport z montażu
144 B1120604

Raport z montażu MLC leak test report TW water (1120604)

Raport z montażu
129 B1120601

Raport z montażu MLC leak test report TW air-gas (1120601)

Certyfikat zatwierdzenia
409 B1013450

UPONOR SAMPLE MLC PIPE WHITE 50X4,5 LENGTH 30CM

Certyfikat zatwierdzenia
409 B1013402

UPONOR SAMPLE MLC PIPE WHITE 32X3 LENGTH 30CM

O produkcie

Specyfikacja

- Z tuleją zaprasowywaną
- Pierścień oporowy
- Kod kolorystyczny
- Przetestowano pod kątem bezpieczeństwa

Podanie

- Woda użytkowa: temperatura pracy w trybie ciągłym wynosi od 0°C do 70°C przy maksymalnym stałym ciśnieniu roboczym 10 barów. Krótkotrwała temperatura w przypadku nieprawidłowego działania wynosi 95°C przez 100 godzin w ciągu całego okresu eksploatacji
- Ogrzewanie: temperatura pracy w trybie ciągłym wynosi do 80°C przy maksymalnym stałym ciśnieniu roboczym 10 barów. Krótkotrwała temperatura w przypadku nieprawidłowego działania wynosi 100°C przez 100 godzin w ciągu całego okresu eksploatacji

Jeśli nie podano inaczej:
- Gwint zewnętrzny i wewnętrzny zgodny z normą EN 10226-1

Rysunki produktów

1029129_ZMD
1029129
123 B
1029130_ZMD
1029130
123 B
1059399_ZMD
1059399
123 B
1029129_REN
1029129
54 B
1029130_REN
1029130
54 B
1059399_REN
1059399
54 B
1029129_LAB
1029129
97 B
1029130_LAB
1029130
97 B
1059399_LAB
1059399
97 B