Wypełnij koszyk BIM z katalogu produktów
Adres e-mail naszego działu obsługi klienta uległ zmianie — sprawdź na stronie kontakowej

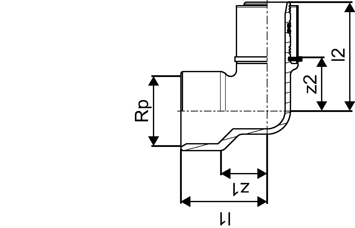
Uponor S-Press kolano GW

- mosiądz cynowany
- instalacja bez kalibracji
- kolorowy znacznik średnicy

Uponor S-Press kolano GW

Szczegóły dotyczące produktu:

Uponor S-Press kolano GW 40-Rp1 1/2"FT
Uponor S-Press kolano GW 50-Rp1 1/2"FT

Dokumenty

Raport z montażu
144 B1120604

Raport z montażu MLC leak test report TW water (1120604)

Raport z montażu
129 B1120601

Raport z montażu MLC leak test report TW air-gas (1120601)

Raport z montażu
144 B1120610

Raport z montażu MLC leak test report HC water (1120610)

Environmental Product Declaration (EPD)
899 B1162876

Uponor EPD S-Press

O produkcie

Specyfikacja

- Z tuleją zaprasowywaną
- Pierścień oporowy
- Przetestowano pod kątem bezpieczeństwa

Podanie

- Woda użytkowa: temperatura pracy w trybie ciągłym wynosi od 0°C do 70°C przy maksymalnym stałym ciśnieniu roboczym 10 barów. Krótkotrwała temperatura w przypadku nieprawidłowego działania wynosi 95°C przez 100 godzin w ciągu całego okresu eksploatacji

- Ogrzewanie: temperatura pracy w trybie ciągłym wynosi do 80°C przy maksymalnym stałym ciśnieniu roboczym 10 barów. Krótkotrwała temperatura w przypadku nieprawidłowego działania wynosi 100°C przez 100 godzin w ciągu całego okresu eksploatacji

- Jeśli nie podano inaczej:
Gwint zewnętrzny i wewnętrzny zgodny z normą EN 10226-1

Rysunki produktów

1046910_LAB
1046910
100 B
1046910_REN
1046910
375 B
1046910_REN
1046910
122 B
1046910_ZMD
1046910
106 B