Preencher o cesto de compras BIM a partir do catálogo de produtos
O endereço de e-mail do nosso serviço de apoio ao cliente mudou - Visão geral

Uponor Smart Aqua caixa plástico Q&E UP

Uponor Smart Aqua caixa plástico Q&E UP

Detalhes do item

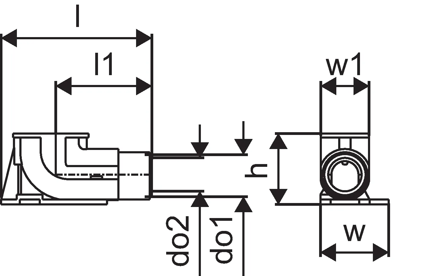
Uponor Smart Aqua caixa plástico Q&E UP 25/20, 28/23

Documents

Manual de instalação
1 KB1121763

Manual de instalação Q&E 9,9-50 (1121763)

Memória descritiva
1 KB1118689

Informações técnicas PE-Xa piping systems (1118689)

Manual de instalação
1 KB1062301

Manual de instalação Uni Pipe PLUS (1062301)

Mais informação

Especificação

- Joelhos terminais com base para fixação sobre a placa.

Aplicação

- Para instalações de água sanitária.

Salvo indicação em contrário:
- Roscas macho/fêmea de acordo com a EN 10226-1.

Product drawings

1008845_ZMD
1008845
167 B
1008845_LAB
1008845
88 B
1008845_PHO
1008845_PHO
379 B
1008845_REN
1008845
71 B
1008845_REN
1008845
877 B