Preencher o cesto de compras BIM a partir do catálogo de produtos
O endereço de e-mail do nosso serviço de apoio ao cliente mudou - Visão geral

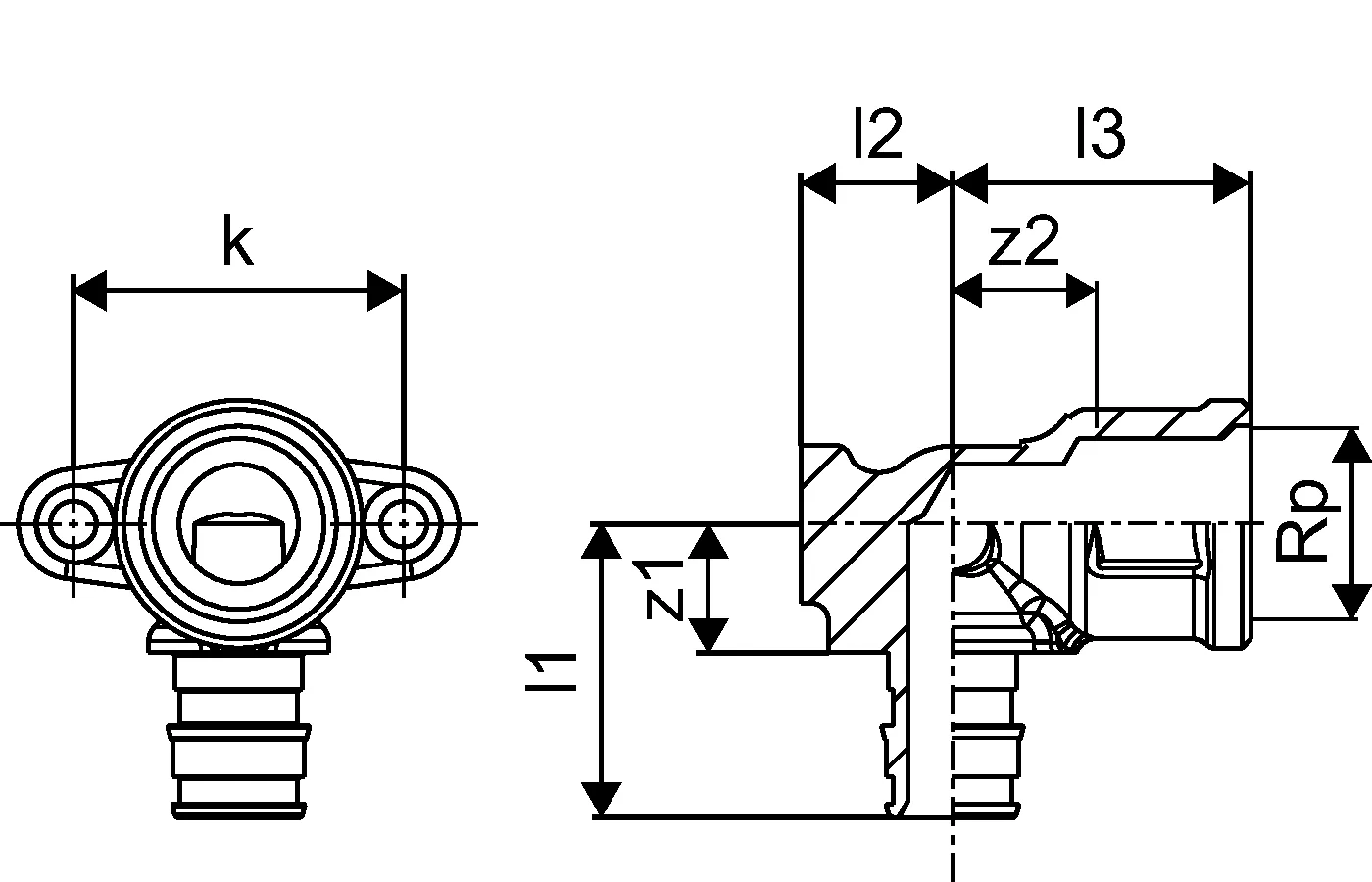
Uponor Smart Aqua joelho fixação longo Q&E PL

- Acessório de latão

Uponor Smart Aqua joelho fixação longo Q&E PL

Detalhes do item

Uponor Smart Aqua joelho fixação longo Q&E PL 20-RP1/2"FT L=49MM

Documents

Manual de instalação
1 KB1121763

Manual de instalação Q&E 9,9-50 (1121763)

Memória descritiva
1 KB1118689

Informações técnicas PE-Xa piping systems (1118689)

Manual de instalação
1 KB1062301

Manual de instalação Uni Pipe PLUS (1062301)

Certificado de aprovação
96 B1030893

Uponor CER Q&E FIT MECH CERTIF_TMP 056-2019_ PT (1030893)

Certificado de aprovação
97 B1090886

Uponor CER Q&E SYS MECH CERTIF TMP-057-2019 PT PT (1090886)

Mais informação

Especificação

- Joelhos terminais com base para fixação sobre a placa.

Aplicação

- Para instalações de água sanitária.

Salvo indicação em contrário:
- Roscas macho/fêmea de acordo com a EN 10226-1.

Product drawings

1145653_LAB
1145653
115 B
1145653_ZMD
1145653
231 B
1145653_REN
1145653
109 B