Preencher o cesto de compras BIM a partir do catálogo de produtos
O endereço de e-mail do nosso serviço de apoio ao cliente mudou - Visão geral

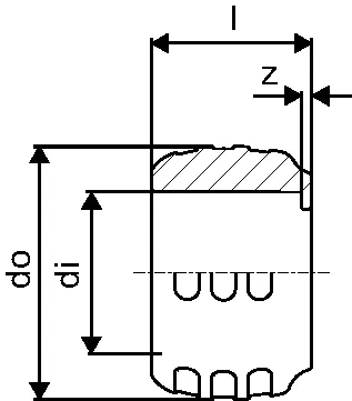
Uponor Q&E Evolution anel red

- Forma cónica para facilitar a inserção no tubo.
- Batentes reforçados.
- Maior força de aperto.
- Design ergonómico com identificador de dimensão.
- PE.

Uponor Q&E Evolution anel red

Detalhes do item

Uponor Q&E Evolution anel red 16
Uponor Q&E Evolution anel red 20
Uponor Q&E Evolution anel red 25

Documents

Manual de instalação
1 KB1121763

Manual de instalação Q&E 9,9-50 (1121763)

Memória descritiva
1 KB1118689

Informações técnicas PE-Xa piping systems (1118689)

Declaração Ambiental de Produto DAP
4 KB1160632

Uponor EPD Q&E (Evolution Rings) (1160632)

Mais informação

Especificação

- Acessórios plásticos (PPSU) e metálicos (latão) para união dos tubos Uponor de polietileno reticulado (PEX-a).
- A mais vasta gama do mercado com uma grande variedade de acessórios de 16 a 75 mm.
- Possibilidade de realizar uma instalação higiénica completamente plástica.

Aplicação

- Roscas macho/fêmea de acordo com a EN 10226-1.

Product drawings

1058010_ZMD
1058010
127 B
1058011_ZMD
1058011
127 B
1058012_ZMD
1058012
127 B
1058010_REN
1058010
148 B
1058010_REN
1058010
62 B
1058011_REN
1058011
62 B
1058012_REN
1058012
62 B
1058010_LAB
1058010
139 B
1058011_LAB
1058011
139 B
1058012_LAB
1058012
139 B