Preencher o cesto de compras BIM a partir do catálogo de produtos
O endereço de e-mail do nosso serviço de apoio ao cliente mudou - Visão geral

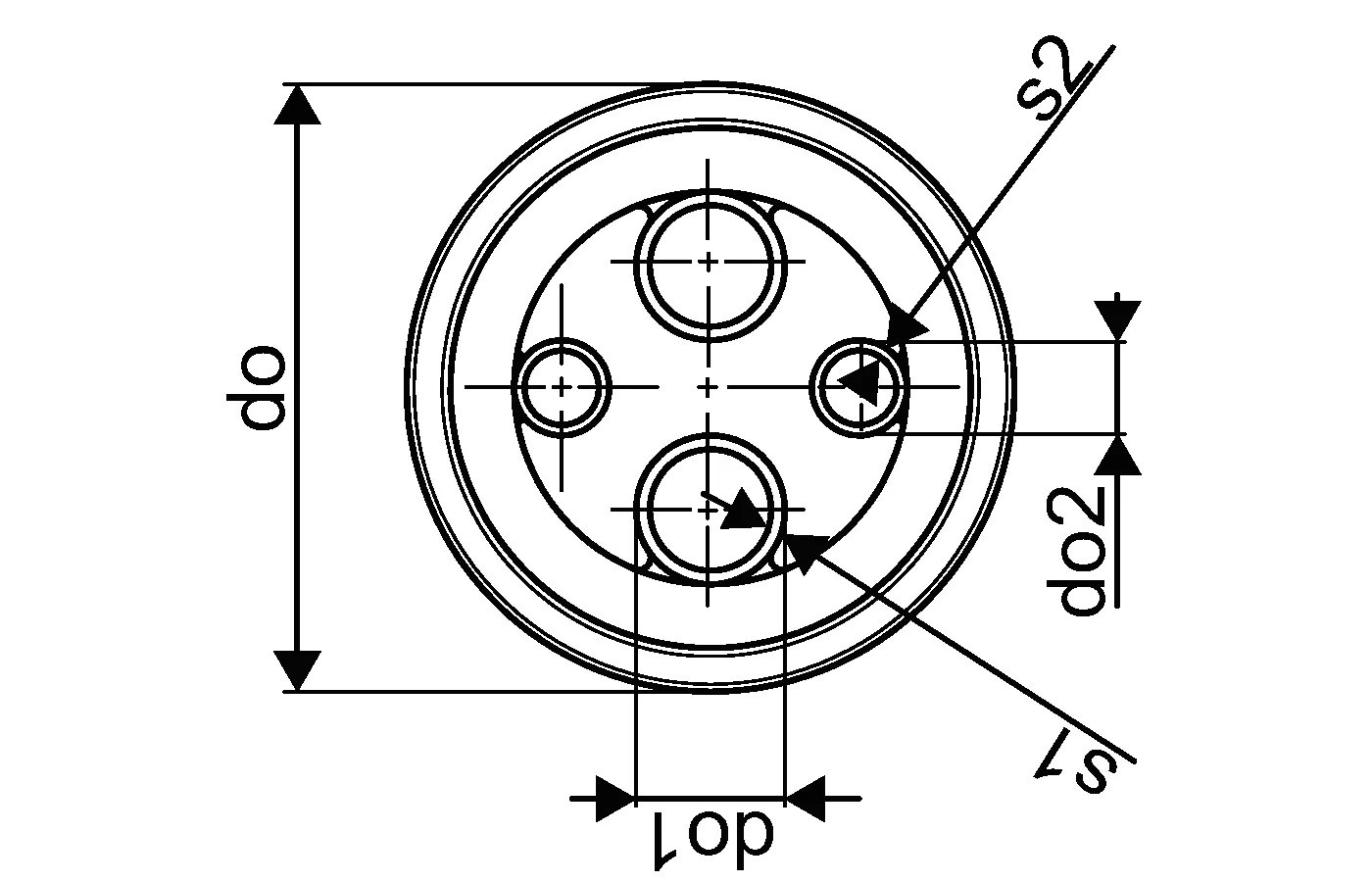
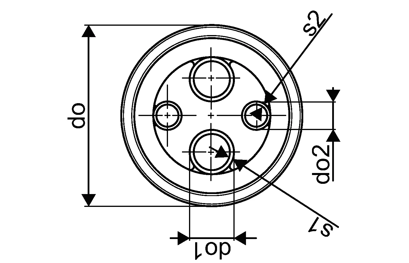
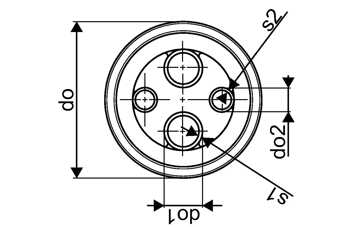
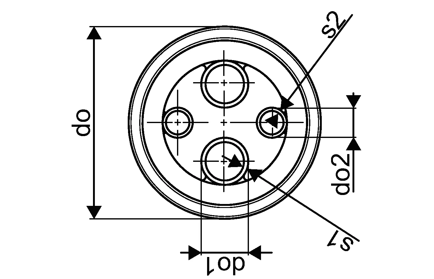
Uponor Ecoflex Thermo Twin HP

- Geotermia, aquecimento/arrefecimento.
- 2 tubos de serviço PEX-a com barreira antidifusão de oxigénio, SDR11.
- 2 tubos corrugados para cabos elétricos.
- Pressão e temperatura máx: 6 bar / 95ºC.
- Ida e retorno diferenciados.
- Isolamento espuma PEX. Carcaça PEAD corrugado.

Uponor Ecoflex Thermo Twin HP

Detalhes do item

Uponor Ecoflex Thermo Twin HP 2x32x2,9-2x32x3,5/140
Uponor Ecoflex Thermo Twin HP 2x40x3,7-2x32x3,5/175
Uponor Ecoflex Thermo Twin HP 2x50x4,6+2x32x3,5/200
Uponor Ecoflex Thermo Twin HP 2x63x5,8+2x32x3,5/200

Documents

Relatório de instalação
162 B1120218

Relatório de instalação Ecoflex pressure test heating (1120218)

Manual de instalação
1 KB1046550

Manual de instalação Ecoflex pipe handling (1046550)

Memória descritiva
10 KB1120217

Informações técnicas Ecoflex piping systems (1120217)

Declaração Ambiental de Produto DAP
4 KB1160631

Uponor EPD Ecoflex Thermo Twin HP (1160631)

Brochura
285 B1141508

UPONOR DGNB ECOFLEX Thermo (1141508)

Mais informação

Especificação

-Tubagens pré-isoladas fabricadas conforme a norma EN 15632.
- Tubagem de base: Polietileno reticulado PEX-a fabricadas e certificadas conforme a norma UNE EN ISO 15875, PN6 (SDR11) ou PN10 (SDR 7,4). Com barreira antidifusão de oxigénio segundo a norma EN 15632.
- Isolamento: Espuma de célula fechada de PEX, flexível e resistente ao envelhecimento.
- Carcaça exterior: Polietileno de alta densidade (PEAD).

Aplicação

- Condução de aquecimento e arrefecimento à distância.
- Temperatura nominal: 80 °C conforme a norma EN 15632.
- Resistência para suportar a passagem de camiões de grande tonelagem (60 toneladas).

Certificação

- Kiwa KOMO BRL 5609.
- Kiwa EN 15632.
- DIN Certco VDI 2055.
- AENOR.
- CERTIF.

Product drawings

1093894_LAB
1093894
164 B
1093895_LAB
1093895
164 B
1137494_LAB
1137494
164 B
1137495_LAB
1137495
162 B
1093894_REN
1093894
144 B
1093894_REN
1093894
142 B
1093895_REN
1093895
142 B
1137494_REN
1137494
166 B
1137495_REN
1137495
162 B
1093894_ZMD
1093894
295 B
1093895_ZMD
1093895
295 B
1137494_ZMD
1137494
295 B
1137495_ZMD
1137495
295 B