Preencher o cesto de compras BIM a partir do catálogo de produtos

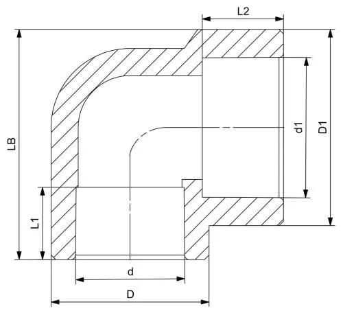
GF Aquasystem joelho de redução PPR Green 20-25mm

GF Aquasystem joelho de redução PPR Green 20-25mm
Peça n.º1148666

Detalhes do item

Dimensões

Item_UOMpce
Comprimento da unidade do item45
Altura da unidade do item43
Largura da unidade do item35
Peso unitário do item0,027

Measurements

Comprimento (l2)16,0
Diâmetro_interno_di24,2

Packaging

FieldPL1PL2PL4
Altura da embalagem350 243 1200
Comprimento da embalagem300 415 1200
Embalagem GTIN06414900094344 06414900276733 06414900276740
Largura da embalagem35 -1000
Largura da Embalagem-252 -
Peso da embalagem1,35 6,75 349
Quantidade de embalagem50 250 12000
Tipo de embalagemPlastic_Bag Medium_Box Pallet
Volume de embalagem0,003675 0,02541294 1,44

Product code

Item no EAN8698652148045
Item no GF4302402011021
Item no GTIN08698652148045

Documents

Declaração Ambiental de Produto DAP
662 B1184372

Uponor EPD Aquasystem (1184372)