Preencher o cesto de compras BIM a partir do catálogo de produtos

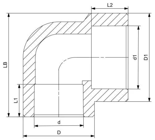
GF Aquasystem joelho de redução PPR Green 25-32mm

GF Aquasystem joelho de redução PPR Green 25-32mm
Peça n.º1148668

Detalhes do item

Dimensões

Peso unitário do item0,04
Item_UOMpce
Altura da unidade do item51
Largura da unidade do item44
Comprimento da unidade do item52

Measurements

Diâmetro_interno_di31,1
Comprimento (l2)18,0

Packaging

FieldPL1PL2PL4
Altura da embalagem350 243 1200
Comprimento da embalagem300 415 1200
Embalagem GTIN06414900094382 06414900192460 06414900192477
Largura da embalagem44 -1000
Largura da Embalagem-252 -
Peso da embalagem1 6 313
Quantidade de embalagem25 150 7200
Tipo de embalagemPlastic_Bag Medium_Box Pallet
Volume de embalagem0,00462 0,02541294 1,44

Product code

Item no GTIN08698652148991
Item no GF4302402511121
Item no EAN8698652148991

Documents

Declaração Ambiental de Produto DAP
662 B1184372

Uponor EPD Aquasystem (1184372)