Preencher o cesto de compras BIM a partir do catálogo de produtos

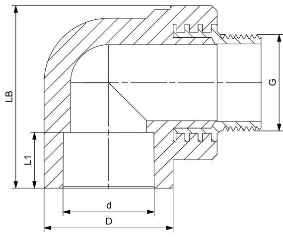
GF Aquasystem joelho rosca fêmea PP-R Green 90deg 1/2"MT 25

GF Aquasystem joelho rosca fêmea PP-R Green 90deg 1/2"MT 25
Peça n.º1148626

Detalhes do item

Dimensões

Item_UOMpce
Altura da unidade do item38
Largura da unidade do item52
Peso unitário do item0,075
Comprimento da unidade do item65

Packaging

FieldPL1PL2PL4
Altura da embalagem350 243 1200
Comprimento da embalagem300 415 1200
Embalagem GTIN06414900093620 06414900280297 06414900280303
Largura da embalagem52 -1000
Largura da Embalagem-252 -
Peso da embalagem2,25 13,5 673
Quantidade de embalagem30 180 8640
Tipo de embalagemPlastic_Bag Medium_Box Pallet
Volume de embalagem0,00546 0,02541294 1,44

Product code

Item no GF4302102507221
Item no EAN8698652018331
Substituição de item 11148635
Item no GTIN08698652018331

Status

Item Available Till date2026-12-31T00:00:00.000+0100
Until stocks lastAté ao fim do stock

Documents

Declaração Ambiental de Produto DAP
662 B1184372

Uponor EPD Aquasystem (1184372)