Detalhes do item
Dimensões
| Comprimento da unidade do item | 100 |
|---|---|
| Peso unitário do item | 0,25 |
| Item_UOM | pce |
| Altura da unidade do item | 115 |
| Largura da unidade do item | 100 |
Measurements
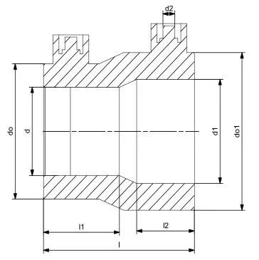
| Comprimento (l2) | 70 |
|---|---|
| Medição Z d | 63 |
| LENGTH_L | 134 |
| Medição Z d1 | 75 |
| Comprimento (l1) | 55 |
| Diâmetro Externo_do1 | 100 |
| Diâmetro Externo_do | 85 |
| Medição Z d2 | 4 |
Packaging
| Field | PL1 | PL2 |
|---|---|---|
| Altura da embalagem | 115 | 600 |
| Comprimento da embalagem | 100 | 100 |
| Embalagem GTIN | 6414900649186 | 6414900209922 |
| Largura da embalagem | 100 | - |
| Largura da Embalagem | - | 300 |
| Peso da embalagem | 0,25 | 4,29 |
| Quantidade de embalagem | 1 | 15 |
| Tipo de embalagem | Piece | Medium_Box |
| Volume de embalagem | 0,00115 | 0,018 |
Product code
| Item no GTIN | 06414900512558 |
|---|---|
| Item no GF | 4302907594022 |
| Item no EAN | 6414900512558 |