Preencher o cesto de compras BIM a partir do catálogo de produtos

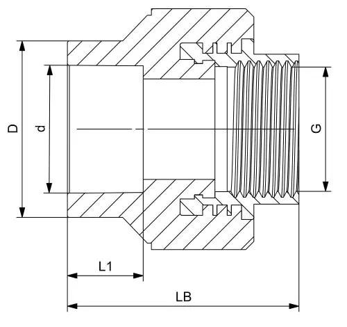
GF Aquasystem união rosca fêmea hexagonal PPR Green 1 1/2"-50

GF Aquasystem união rosca fêmea hexagonal PPR Green 1 1/2"-50
Peça n.º1148769

Detalhes do item

Dimensões

Largura da unidade do item77
Peso unitário do item0,26
Altura da unidade do item65
Item_UOMpce
Comprimento da unidade do item77

Packaging

FieldPL1PL2PL4
Altura da embalagem350 243 1200
Comprimento da embalagem300 415 1200
Embalagem GTIN06414900142908 06414900080927 06414900080934
Largura da embalagem77 -1000
Largura da Embalagem-252 -
Peso da embalagem1,3 10,4 524,2
Quantidade de embalagem5 40 1920
Tipo de embalagemPlastic_Bag Medium_Box Pallet
Volume de embalagem0,008085 0,02541294 1,44

Product code

Item no GTIN08698652018133
Substituição de item 11148773
Item no EAN8698652018133
Item no GF4302705025221

Status

Item Available Till date2026-12-31T00:00:00.000+0100

Documents

Declaração Ambiental de Produto DAP
662 B1184372

Uponor EPD Aquasystem (1184372)