Preencher o cesto de compras BIM a partir do catálogo de produtos

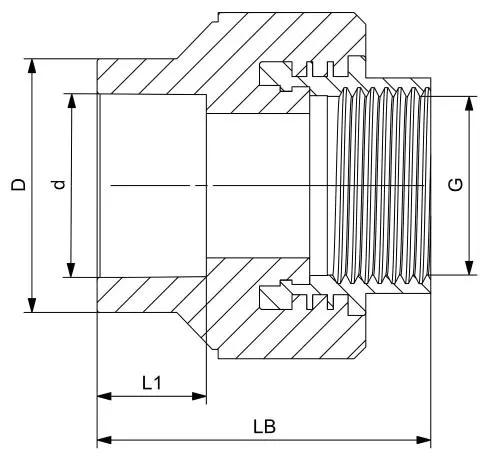
GF Aquasystem união rosca fêmea hexagonal PPR Green 1 1/4"-40

GF Aquasystem união rosca fêmea hexagonal PPR Green 1 1/4"-40
Peça n.º1148763

Detalhes do item

Dimensões

Peso unitário do item0,245
Largura da unidade do item70
Item_UOMpce
Comprimento da unidade do item70
Altura da unidade do item60

Packaging

FieldPL1PL2PL4
Altura da embalagem350 243 1200
Comprimento da embalagem300 415 1200
Embalagem GTIN06414900142786 06414900080941 06414900080958
Largura da embalagem70 -1000
Largura da Embalagem-252 -
Peso da embalagem2,45 12,25 613
Quantidade de embalagem10 50 2400
Tipo de embalagemPlastic_Bag Medium_Box Pallet
Volume de embalagem0,00735 0,02541294 1,44

Product code

Item no GTIN08698652018126
Substituição de item 11148767
Item no EAN8698652018126
Item no GF4302704025121

Status

Item Available Till date2026-12-31T00:00:00.000+0100

Documents

Declaração Ambiental de Produto DAP
662 B1184372

Uponor EPD Aquasystem (1184372)