Preencher o cesto de compras BIM a partir do catálogo de produtos

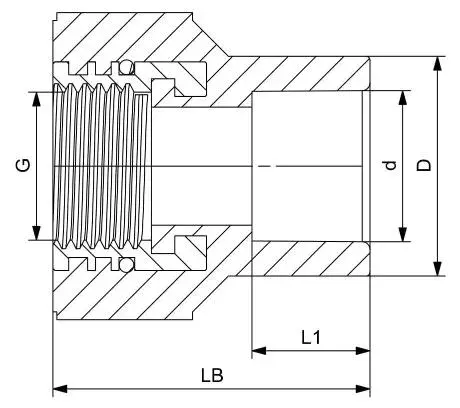
GF Aquasystem união rosca fêmea PPR Green 1/2"-20

GF Aquasystem união rosca fêmea PPR Green 1/2"-20
Peça n.º1148711

Detalhes do item

Dimensões

Peso unitário do item0,046
Comprimento da unidade do item40
Largura da unidade do item40
Item_UOMpce
Altura da unidade do item40

Packaging

FieldPL1PL2PL4
Altura da embalagem350 243 1200
Comprimento da embalagem300 415 1200
Embalagem GTIN06414900095211 06414900081207 06414900081214
Largura da embalagem40 -1000
Largura da Embalagem-252 -
Peso da embalagem1,15 14,95 742,6
Quantidade de embalagem25 325 15600
Tipo de embalagemPlastic_Bag Medium_Box Pallet
Volume de embalagem0,0042 0,02541294 1,44

Product code

Item no GTIN08698652017983
Substituição de item 11148720
Item no EAN8698652017983
Item no GF4302702030021

Status

Item Available Till date2026-12-31T00:00:00.000+0100

Documents

Declaração Ambiental de Produto DAP
662 B1184372

Uponor EPD Aquasystem (1184372)