Preencher o cesto de compras BIM a partir do catálogo de produtos

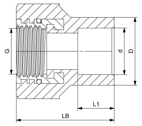
GF Aquasystem união rosca fêmea PPR Green 3/4"-25

GF Aquasystem união rosca fêmea PPR Green 3/4"-25
Peça n.º1148731

Detalhes do item

Dimensões

Peso unitário do item0,055
Item_UOMpce
Altura da unidade do item40
Largura da unidade do item40
Comprimento da unidade do item40

Packaging

FieldPL1PL2PL4
Altura da embalagem350 243 1200
Comprimento da embalagem300 415 1200
Embalagem GTIN06414900095617 06414900081146 06414900081153
Largura da embalagem40 -1000
Largura da Embalagem-252 -
Peso da embalagem1,375 12,375 619
Quantidade de embalagem25 225 10800
Tipo de embalagemPlastic_Bag Medium_Box Pallet
Volume de embalagem0,0042 0,02541294 1,44

Product code

Item no GTIN08698652018010
Substituição de item 11148738
Item no GF4302702530321
Item no EAN8698652018010

Status

Item Available Till date2026-12-31T00:00:00.000+0100

Documents

Declaração Ambiental de Produto DAP
662 B1184372

Uponor EPD Aquasystem (1184372)