Completați coșul de cumpărături BIM din catalogul de produse
Adresa de e-mail a serviciului nostru de asistență pentru clienți s-a schimbat - Prezentare generală

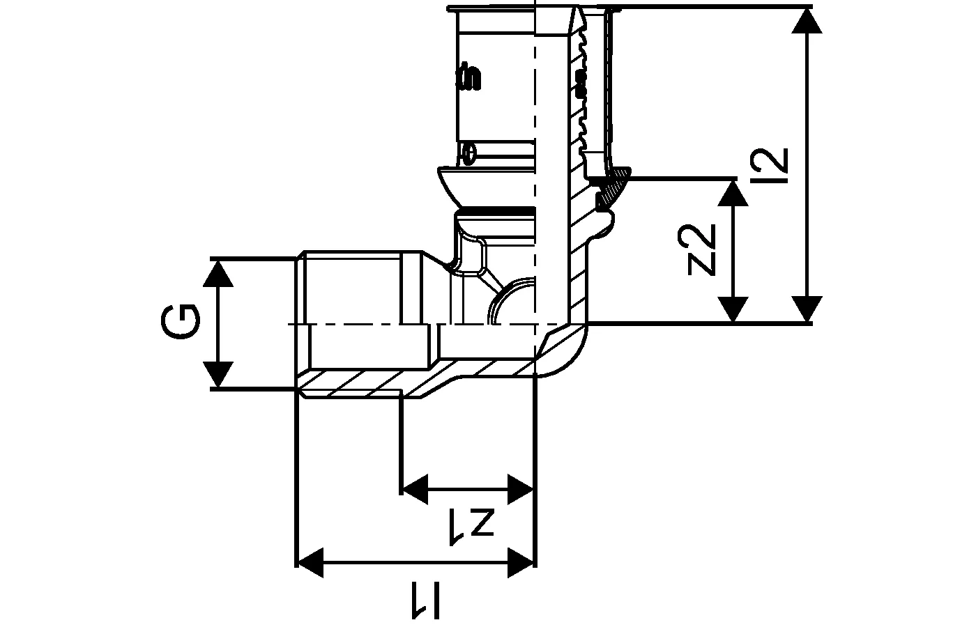
Uponor S-Press PLUS cot sertizare FE-CU

- Indicator unic de sertizare
- Montaj rapid în 3 pași (sertizare fără debavurare)
- Cod QR pentru acces digital rapid
- Adaptor pentru țevi de cupru
- Filet conform standard EN ISO 228-1

Uponor S-Press PLUS cot sertizare FE-CU

Detalii articol

Uponor S-Press PLUS cot sertizare FE-CU 16-G3/8"MT/10CU

Documents

Raport de instalare
116 B1120119

Raport de instalare MLC leak test report TW water (1120119)

Raport de instalare
127 B1120120

Raport de instalare MLC flushing protocol TW water (1120120)

Raport de instalare
110 B1120118

Raport de instalare MLC leak test report TW air-gas (1120118)

Certificat de aprobare
628 B1121547

UPONOR CER S-PRESS FIT MECH INSP Nr. 09 CRSPB RO RO (1121547)

Environmental Product Declaration (EPD)
916 B1162875

Uponor EPD S-Press PLUS (1162875)

About

Specification

- Inel fix de sertizare cu fereastră de inspecție
- Fixarea precisă a fălcilor de sertizare
- Recunoașterea rapidă a diametrului
- Funcție precisă de siguranță la testul de presiune
- Compatibilitate 100% cu gama existentă Uponor multistrat
- Optimizarea fitingurilor pentru un debit optim

Application

- Alimentări cu apă: Temperatura operativă de lucru în regim permanent este cuprinsă între 0°C to 70°C, la presiunea maximă de 10 bar. Temperatura de lucru în regim de avarie este de 95°C pentru o perioadă de 100 ore de funcționare.
- Încălzire: Temperatura operativă de lucru în regim permanent ajunge la 80°C, la presiunea maximă de 10 bar. Temperatura de lucru în regim de avarie este de 100°C pentru o perioadă de 100 ore de funcționare.

Dacă nu este menționat altfel:
- Filetele FI și FE corespund standardului EN 10226-1.

Certification

- Certificări conform legislației
De exemplu:
- DVGW
- AENOR

Desene de produs

1070538_LAB
1070538
79 B
1070538_ZMD
1070538
139 B
0000042714_1070538_REN
0000042714
320 B
1070538_REN
1070538
185 B
1070538_REN
1070538
185 B