Completați coșul de cumpărături BIM din catalogul de produse
Adresa de e-mail a serviciului nostru de asistență pentru clienți s-a schimbat - Prezentare generală

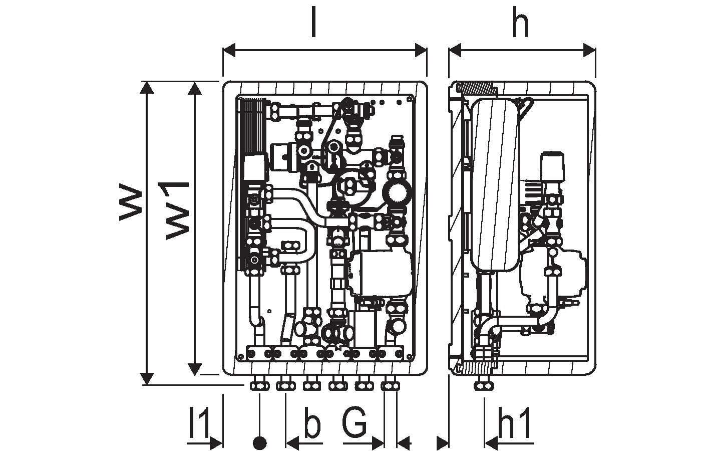
Uponor Combi Port E-INS Modul termo-hidraulic UFH

- Modul termic pentru producere apă caldă și încălzire
- Set de amestec secundar cu pompă circulație pentru încalzire în pardoseală și vană termostatică pentru alimentarea cu încălzire 20-50°C
- Control termostatic temperatură a.c.m. (TWB)
- Actuator 230V pe robinetul de zonă pentru conectarea la termostatul de cameră
- Control temperatură agent termic cu compensarea temperaturii exterioare, control vană cu 3 căi, orar săptămânal cu 9 programe prestabilitei, logica pompei în combinație cu Uponor Smatrix Base sau controler Wave
- Senzor tur
- Senzor exterior
- Amortizor "lovituri de berbec" pentru compensarea șocurilor hidraulice
- Regulator de presiune diferențială pe circuitul de încălzire primar

Uponor Combi Port E-INS Modul termo-hidraulic UFH

Detalii articol

Uponor Combi Port E-INS Modul termo-hidraulic UFH 19 CB DI TL HA MS MH ZA NC IB

Documents

Manual de instalare şi de utilizare
1 KB1143435

Manual de instalare şi de utilizare Combi Port Aqua/Combi Port M-INS & Combi Port E-INS (1143435)

Informații tehnice
12 KB1094902

Informaţii tehnice Combi Port and Aqua Port (1094902)

About

Specification

- port complet asamblat și testat la presiune
- limitele tehnice de utilizare în apă pentru încălzire și instalații sanitare sunt prezentate în fișele tehnice
- coliere de țevi fabricate din plastic, pentru protecție solidă și decuplare termică
- robinet PM certificat DVGW, cu tehnologie brevetată de etanșare triplă
- supapă termostatică de bypass
- distanțier pentru contor termic de 110 mm x 3/4"
- distanțier pentru contor de apă de 110 mm x 3/4"
- robinet de aerisire și de golire
- sită pentru apă rece de 0,5 mm
- sită pentru conductă de alimentare pentru încălzire primară de 0,5 mm
- Posibilitate de conectare (marcată) a unei urechi de împământare electrică
- presiune max. de funcționare încălzire: PN10
- presiune max. de funcționare instalație sanitară: PN10
- temperatură max. de funcționare: 85 °C
- presiune diferențială max. încălzire primară: 2,5 bari
- presiune min. instalație sanitară: 2 bari
- material fitinguri instalație sanitară: CW617N
- material fitinguri încălzire: CW617N, CW614N
- material țeavă: oțel inoxidabil 1.4401
- măsuri: l/H/A 435,5 x 618 x 115 mm

Application

- Generare instantanee descentralizată de apă caldă menajeră
- Sisteme de încălzire prin pardoseală

Desene de produs

1121435_REN
1121435
268 B
1121435_REN
1121435
91 B
1121435_REN
1121435
91 B
1121435_ZMD
1121435
346 B
1121435_LAB
1121435
160 B