Completați coșul de cumpărături BIM din catalogul de produse
Adresa de e-mail a serviciului nostru de asistență pentru clienți s-a schimbat - Prezentare generală

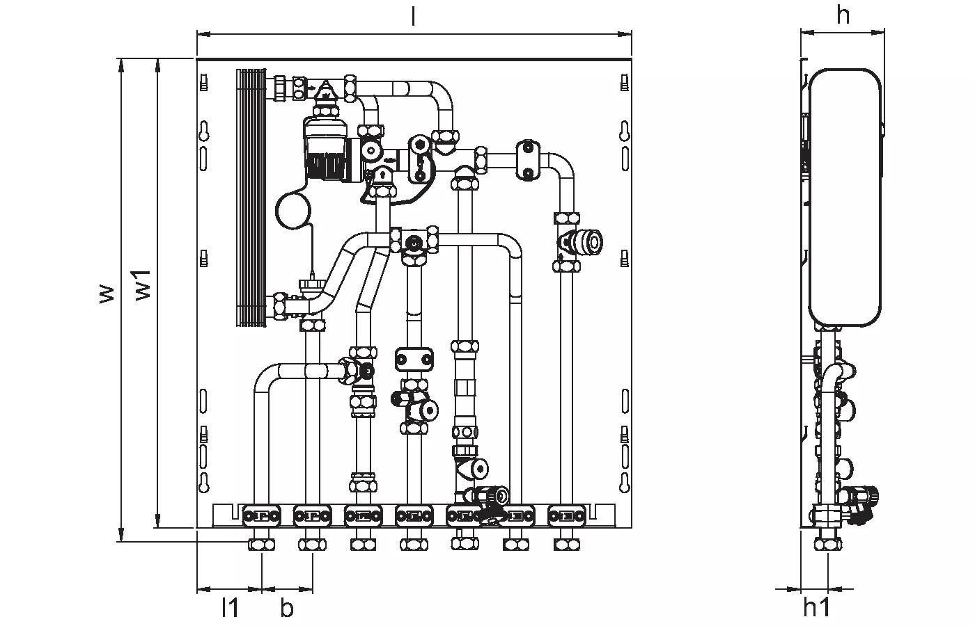
Uponor Combi Port M-Base Modul termo-hidraulic RC

Versiune RC pentru apă caldă menajeră și încălzire directă cu racord are la calorifere(fără circuit de amestec). Circuitul de amestec poate fi upgradat folosind cutia dedicată cu grupul de amestec UFH instalat (Uponor Combi Port M-Base Cabinet+manif IW-UFH). Funcția de bypass poate fi îmbunătățită folosind un accesoriu special - Uponor Combi Port M-Base Heat Bypass.
Coduri de dimensionare:
15,19 – indicație capacitate apă caldă menajeră (l/min)
CB – schimbător de căldură din oțel inoxidabil placat cu cupru pentru prepararea apei calde menajere
St – fără schimbător de căldură din oțel inoxidabil placat cu metale neferoase pentru prepararea apei calde menajere
TL – limitator de temperatură termostatic pentru apă caldă menajeră cu senzor submersibil
ZV – vană de zonă în circuitul de retur al circuitului de încălzire rezidențială fără servomotor
NI – fără izolație de țeavă și/sau capac izolat

Uponor Combi Port M-Base Modul termo-hidraulic RC

Detalii articol

Uponor Combi Port M-Base Modul termo-hidraulic RC 15 CB TL ZV NI

Documents

Ghid rapid
4 KB1143312

Ghid rapid Combi Port M-Base (1143312)

Manual de instalare şi de utilizare
5 KB1144854

Manual de instalare şi de utilizare Combi Port M-Base (1144854)

Informații tehnice
12 KB1094902

Informaţii tehnice Combi Port and Aqua Port (1094902)

About

Specification

- port complet asamblat și testat la presiune
- coliere de țevi fabricate din plastic, pentru protecție solidă și decuplare termică
- robinet PM certificat DVGW, cu tehnologie brevetată de etanșare triplă
- ieșire apă rece
- distanțier pentru contor termic de 110 mm x 3/4"
- distanțier pentru contor de apă de 110 mm x 3/4"
- robinet de aerisire și de golire
- sită pentru conductă de alimentare pentru încălzire primară de 0,5 mm
- posibilitate de conectare (marcată) a unei urechi de împământare electrică
- presiune max. de funcționare încălzire: PN10
- presiune max. de funcționare instalație sanitară: PN10
- temperatură max. de funcționare: 85 °C
- presiune min. instalație sanitară: 2 bari
- material fitinguri instalație sanitară: CW617N
- material fitinguri încălzire: CW617N, CW614N
- material țeavă: oțel inoxidabil 1.4401
- măsuri: l/H/A 556 x 620 x 110 mm

Application

- Generare instantanee descentralizată de apă caldă menajeră
- Sisteme de încălzire prin pardoseală
- Sisteme de încălzire cu radiator

Desene de produs

1093802_LAB
1093802
140 B
1093802_REN
1093802
114 B
1093802_REN
1093802
206 B
1093802_ZMD
1093802
269 B