Completați coșul de cumpărături BIM din catalogul de produse
Adresa de e-mail a serviciului nostru de asistență pentru clienți s-a schimbat - Prezentare generală

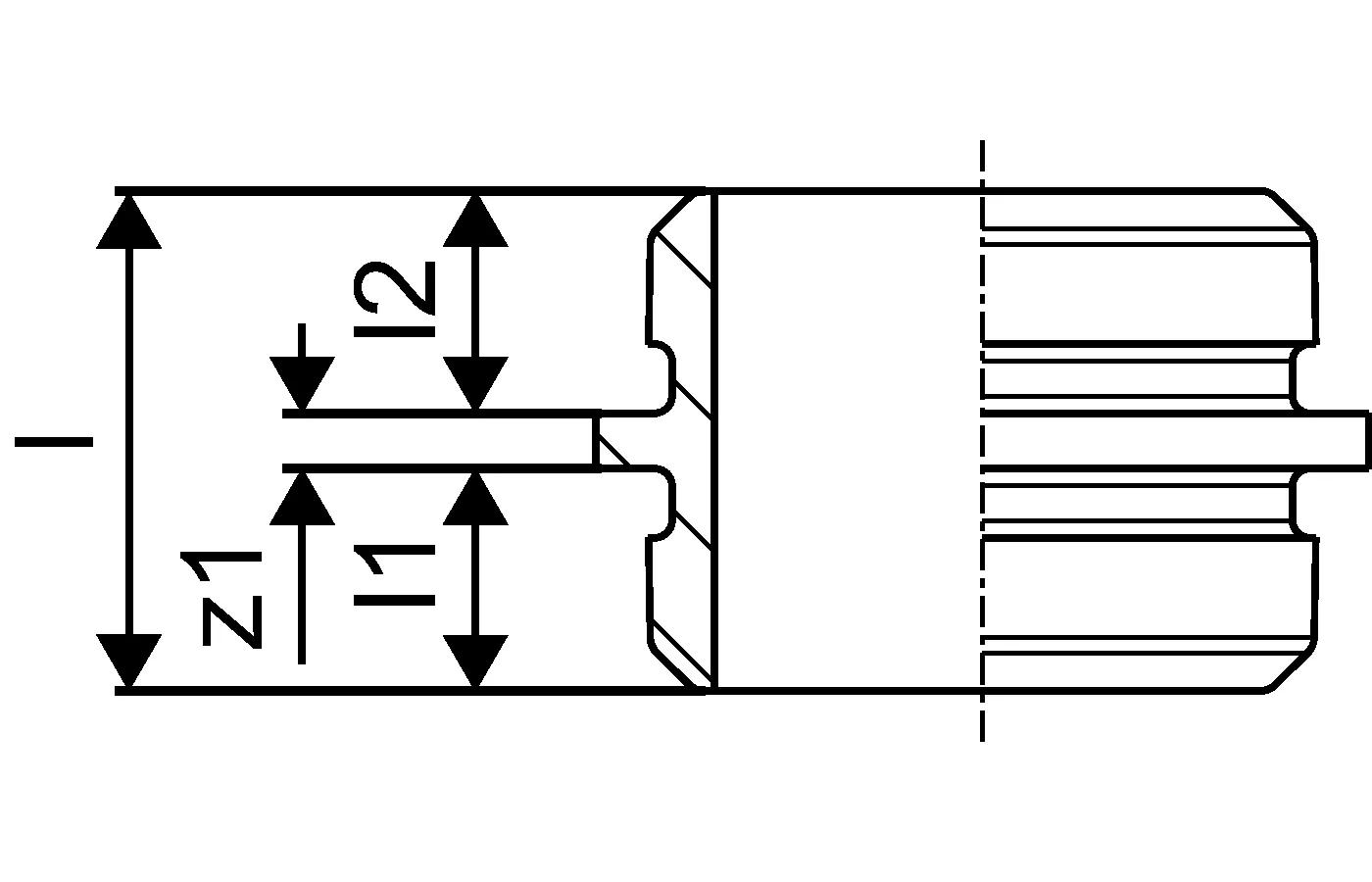
Uponor RS distanţier scurt

- Fabricat din alamă placată
- Distanțiere pentru conectarea pieselor de bază RS de dimensiuni egale.

Uponor RS distanţier scurt

Detalii articol

Uponor RS distanţier scurt RS2-RS2 l=5mm
Uponor RS distanţier scurt RS3-RS3 l=5mm

Documents

Manual de instalare
1 KB1187006

IM PE-Xa pipe INT 1187006 v1

Raport de instalare
116 B1120119

Raport de instalare MLC leak test report TW water (1120119)

Raport de instalare
127 B1120120

Raport de instalare MLC flushing protocol TW water (1120120)

Certificat de aprobare
628 B1121547

UPONOR CER S-PRESS FIT MECH INSP Nr. 09 CRSPB RO RO (1121547)

Certificat de aprobare
409 B1013450

UPONOR SAMPLE MLC PIPE WHITE 50X4,5 LENGTH 30CM

Certificat de aprobare
409 B1013402

UPONOR SAMPLE MLC PIPE WHITE 32X3 LENGTH 30CM (1013402)

About

Specification

- inel fix de sertizare
- opritor
- cod de culoare
- funcție de siguranță la test de presiune

Application

- Alimentări cu apă: Temperatura operativă de lucru în regim permanent este cuprinsă între 0°C to 70°C, la presiunea maximă de 10 bar. Temperatura de lucru în regim de avarie este de 95°C pentru o perioadă de 100 ore de funcționare.
- Încălzire: Temperatura operativă de lucru în regim permanent ajunge la 80°C, la presiunea maximă de 10 bar. Temperatura de lucru în regim de avarie este de 100°C pentru o perioadă de 100 ore de funcționare.

Dacă nu este menționat altfel:
- Filetele FI și FE corespund standardului EN 10226-1.

Certification

- Certificări conform legislației
De exemplu:
- DVGW
- AENOR

Desene de produs

1046750_REN
1046750
287 B
1046750_REN
1046750
97 B
1046751_REN
1046751
97 B
1046750_ZMD
1046750
116 B
1046751_ZMD
1046751
116 B
1046750_LAB
1046750
114 B
1046751_LAB
1046751
114 B