Fyll på BIM-korgen från produktkatalogen

Uponor Aqua PLUS Vinkelnippel utv PL/DR

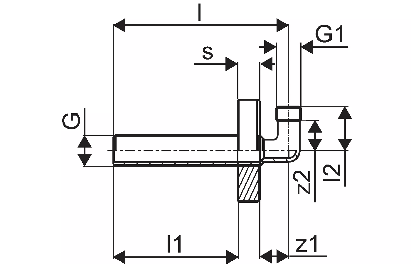
Vinkelnippel för dosanslutning av toalett eller tvättställsblandare
- Täckbricka dy 70 mm

Uponor Aqua PLUS Vinkelnippel utv PL/DR

Artikeldetaljer

Uponor Aqua PLUS Vinkelnippel utv PL/DR 1/2"MT-3/8MT, cap 70mm, l=85mm

Dokument

AMA-texter
6 KB1119023

Teknisk information Aqua PLUS manifold PPM (1119023)

Installationsanvisning
1 KB1062301

Installationsanvisning Uni Pipe PLUS (1062301)

AMA-texter
1 KB1118689

Teknisk information PE-Xa piping systems (1118689)

Om

Specifikation

- Vattentäta skåp enligt NT VVS 129
- För fördelare med c/c 50 mm
- För M7 fördelarskåpsanslutning
- Inkluderar skåp, stänkskydd och tillbehörssats med fördelarclips
- Dörrar och ramar beställas separat
- RAL 9010
- Plastfördelare för installation i vattentäta skåp
- Fördelare och tillbehör kan användas separat
- Metallkopplingar är tillverkade av högkvalitativ mässing
- Plastkopplingar är tillverkade av PPSU
- PPM fördelare med bajonettfattning

Applikation

- Vattentäta installationer för att förhindra skador i händelse av läckage
- Alla typer av fördelarinstallationer

Produktritningar

1120245_REN
1120245
231 B
1120245_REN
1120245
79 B
1120245_ZMD
1120245
131 B
1120245_LAB
1120245
58 B