Fyll på BIM-korgen från produktkatalogen

Uponor Smart Aqua PLUS Väggdosa Q&E M7a PPSU

Väggdosa för tappvatteninstallationer
- Dosan är försedd med plastvinkel

Uponor Smart Aqua PLUS Väggdosa Q&E M7a PPSU

Artikeldetaljer

Uponor Smart Aqua PLUS Väggdosa Q&E M7a PPSU 16-Rp1/2"FT

Dokument

Installationsanvisning
1 KB1121763

Installationsanvisning Q&E 9,9-50 (1121763)

AMA-texter
1 KB1118689

Teknisk information PE-Xa piping systems (1118689)

Om

Specifikation

- Väggdosor med vinkelrör för vattentät anslutning med Uponor PE-Xa-rör och Uponor skyddsrör
- Vattentäta enligt NT VVS 129
- Metallkopplingar är tillverkade av högkvalitativ avzinkningshärdig mässing
- Plastkopplingar är tillverkade av PPSU
- PPM fördelare med bajonettfattning
- Q&E-ringar ingår

Applikation

- Vattentäta installationer för att förhindra skador i händelse av läckage
- Alla typer av installationer där vattentäta anslutningar mellan rör och skyddsrör krävs

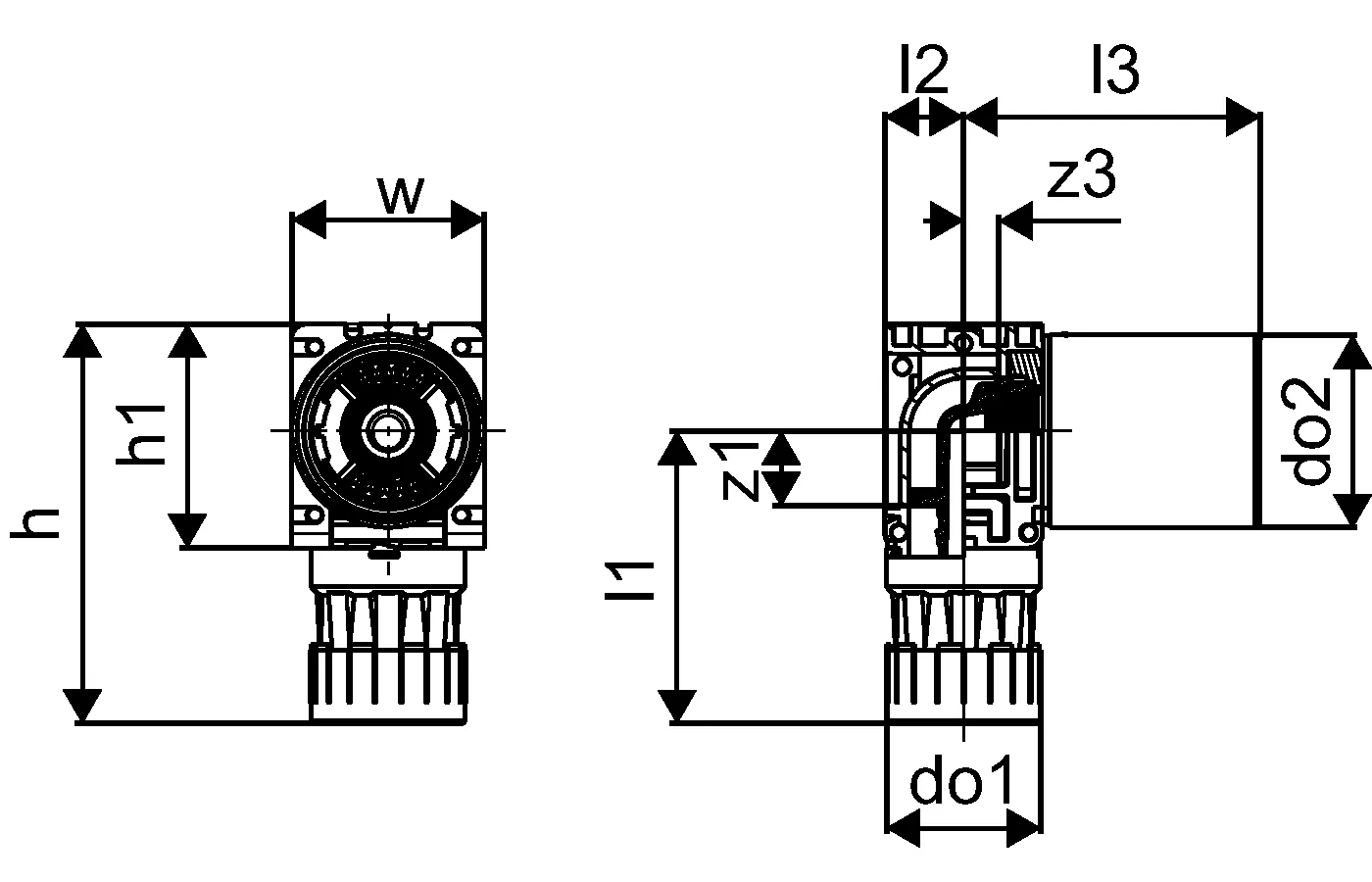
Produktritningar

1086211_LAB
1086211
148 B
1086211_ZMD
1086211
213 B
1086211_REN
1086211
334 B
1086211_REN
1086211
118 B