Заповніть кошик BIM з каталогу продуктів

Uponor S-Press PLUS Водорозетка декоративна

- Для настінних водорозеток, включає кран та короб

Uponor S-Press PLUS Водорозетка декоративна

Інформація про продукт

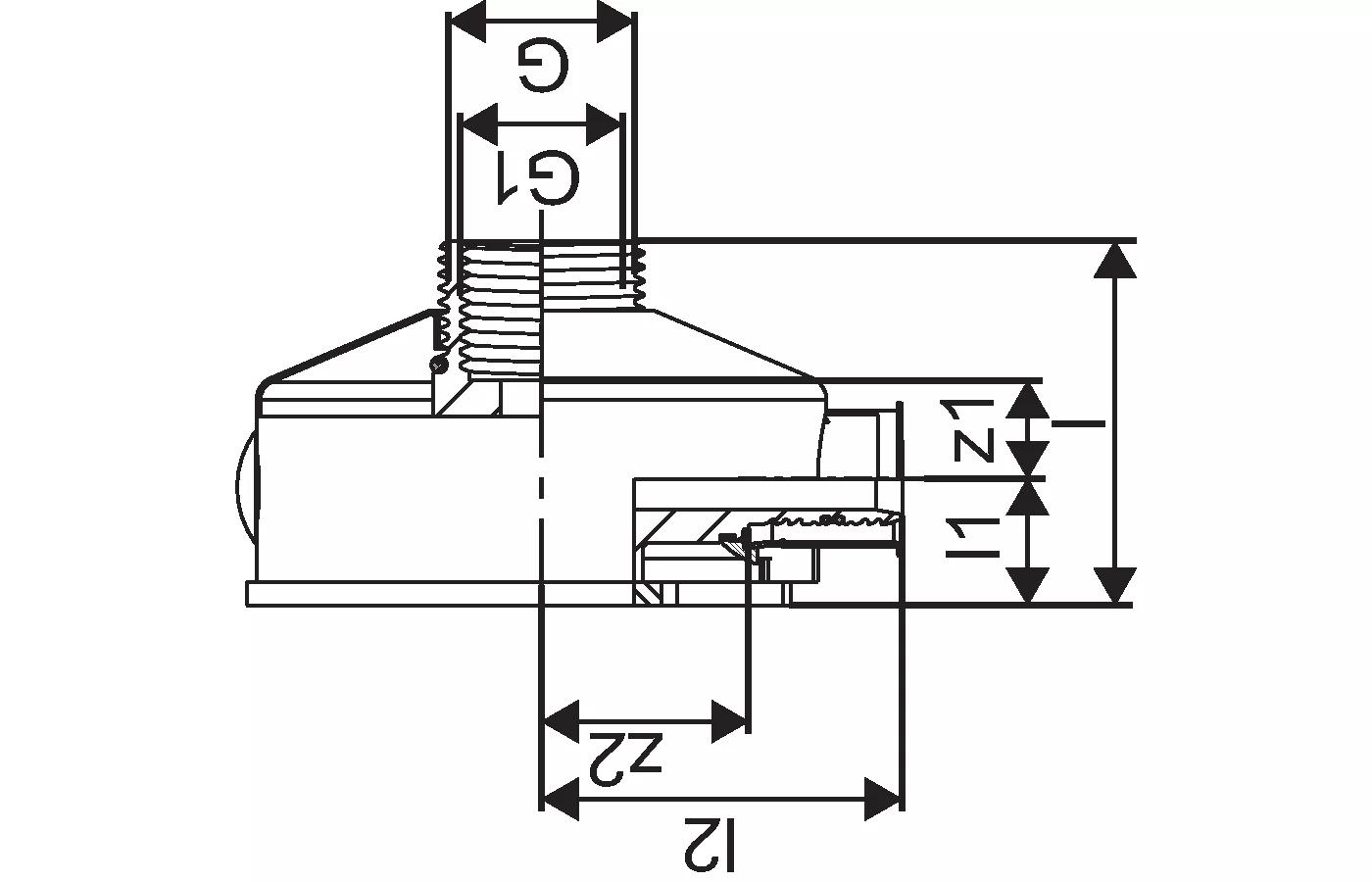
Uponor S-Press PLUS Водорозетка декоративна 16-Rp3/4"FT

Документи

Протокол щодо виконання монтажу
116 B1120119

Звіт про встановлення MLC leak test report TW water (1120119)

Протокол щодо виконання монтажу
127 B1120120

Звіт про встановлення MLC flushing protocol TW water (1120120)

Протокол щодо виконання монтажу
110 B1120118

Звіт про встановлення MLC leak test report TW air-gas (1120118)

Сертифікат відповідності
211 B1119956

UPONOR CER S-Press PLUS FIT MECH UKrNDNC UA0.YT.110206-20 UA UA

Екологічна декларація продукту (ЕДП)
916 B1162875

Uponor EPD S-Press PLUS

Про продукт

Специфікація

- Унікальний індикатор опресування
- Швидкий 3-етапний монтаж (без калібрування)
- Колірне маркування діаметрів
- Контрольне віконце вставлення труби
- Точна фіксація кліщів
- Функція контрольного протікання
- 100% сумісність із наявними компонентами Uponor
- Збільшений внутрішній прохід корпуса фітинга

Сфери використання

- Термін служби 50 років при: Троб = 80 °С; Робочий тиск: 10 бар.

Креслення виробів

1070643_LAB
1070643
70 B
1070643_ZMD
1070643
147 B
1070643_REN
1070643
147 B
1070643_REN
1070643
262 B