Füllen Sie den BIM Warenkorb aus dem Produktkatalog

Uponor Combi Port M-Pro Wohnungsstation RC

- Hochleistungswärmetauscher aus Edelstahl (VacInox gelötet)
- Differenzdruckregelung
- Manuelles Zonenventil zum Heizen
- RC-Version für die Trinkwassererwärmung und Direktheizung mit Heizkörperanschluss (kein Mischkreis).

Austattungscodes:
- 15,19 - Warmwasserkapazität (l/min)
- St - Hochleistungswärmetauscher aus Edelstahl (VacInox gelötet) für die Warmwasserbereitung
- BP - Funktion zur Vorwärmung der Versorgungsleitungen
- DI - Primärer Differenzdruckregler am Eingang der Station
- ZM - Zirkulationsmodul für die Trinkwassererwärmung mit Sicherheitsventil, Zirkulationspumpe und Differenzdruckregler
- ZV - Zonenventil im Rücklauf des Wohnungsheizkreises ohne Stellantrieb

Uponor Combi Port M-Pro Wohnungsstation RC

Details

Uponor Combi Port M-Pro Wohnungsstation RC 15 St BP DI ZV
Uponor Combi Port M-Pro Wohnungsstation RC 15 St BP DI ZM ZV
Uponor Combi Port M-Pro Wohnungsstation RC 19 St BP DI ZV
Uponor Combi Port M-Pro Wohnungsstation RC 19 St BP DI ZM ZV

Dokumente

Kurzanleitung
4 KB1143305

Kurzanleitung Combi Port M-Pro (1143305)

Montage- und Bedienungsanleitung
10 KB1143440

Montage- und Bedienungsanleitung Combi Port M-Pro DE (1143440)

Montage- und Bedienungsanleitung
10 KB1143303

Montage- und Bedienungsanleitung Combi Port M-Pro (1143303)

Ausschreibungstexte

Spezifikation

- Anschlüsse komplett montiert und druckgeprüft
- Rohrschellen aus Kunststoff zur Schall- und Wärmeentkopplung
- DVGW zertifizierter PM-Regler mit gebrauchsmustergeschützter Abdichtungstechnik
- Wärmedämmung an den Zuleitungen
- Thermostatisches Bypass-Ventil
- Kaltwasserabgang
- Passtück für Wärmemengenzähler 110 mm x 3/4"
- Passtück für Wasserzähler 110 mm x 3/4"
- Entlüftungs- und Entleerungsventile
- Schmutzfänger für Kaltwasser 0,5 mm
- Schmutzfänger im Heizungsvorlauf Primär 0,5 mm
- Anschlussmöglichkeit eines Potentialausgleichs
- Max. Betriebsdruck Heizung: PN10
- Max. Betriebsdruck Trinkwasser: PN10
- Max. Betriebstemperatur : 85 °C
- Max. Differenzdruck Primärkreislauf Heizung: 2,5 bar
- Min. Druck Trinkwasser: 2,0 bar
- Material der Trinkwasserarmaturen: CW617N
- Material der Heizungsarmaturen: CW617N, CW614N
- Material Rohrleitungen: Edelstahl 1.4401
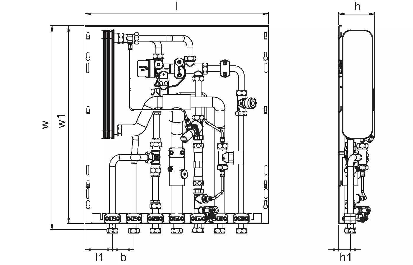
- Abmessungen: B/H/T 556 x 620 x 110 mm

Anwendung

- Dezentrale Warmwasserbereitung im Durchflussverfahren
- Anschluß von Fußbodenheizungen
- Anschluß von Radiatorheizungen

Zertifikat

- DVGW

Produktzeichnungen

1093777_ZMD
1093777
294 B
1093781_ZMD
1093781
294 B
1128854_ZMD
1128854
314 B
1128855_ZMD
1128855
277 B
1093777_LAB
1093777
149 B
1093781_LAB
1093781
147 B
1128854_LAB
1128854
160 B
1128855_LAB
1128855
156 B
1093777_REN
1093777
217 B
1093781_REN
1093781
225 B
1128854_REN
1128854
142 B
1128855_REN
1128855
215 B