Llenar la cesta de la compra BIM desde el catálogo de productosLlenar la cesta de la compra BIM desde el catálogo de productos
Nuestra dirección de correo electrónico de atención al cliente ha cambiado - Resumen
 

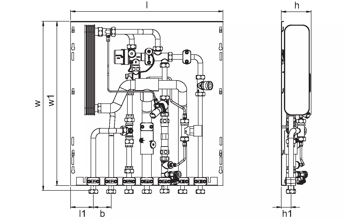
Uponor Combi Port M-Pro Intercambiador de calor RC

Versión RC para agua caliente sanitaria y calefacción directa con conexión a radiadores (sin circuito de mezcla).
Códigos de dimensionamiento:
15,19 – indicación de capacidad de agua caliente sanitaria (l/min).
CB – intercambiador de calor de acero inoxidable soldado con cobre para la preparación de agua caliente sanitaria.
St – Intercambiador de calor de acero inoxidable soldado sin metales no ferrosos para la preparación de agua caliente sanitaria.
BP – función de precalentamiento de las líneas de suministro.
DI: controlador de presión diferencial primario en la entrada de la unidad de interfaz de calor.
DT – controlador de presión diferencial en el circuito de calefacción de la unidad de interfaz de calor para la preparación de agua caliente sanitaria.
TL – limitador termostático de temperatura para agua caliente sanitaria con sensor sumergible.
RL – limitador de temperatura de retorno para el circuito de calefacción de una vivienda.
ZM – módulo de circulación para agua caliente sanitaria con válvula de seguridad, bomba de circulación y regulador de presión diferencial.
ZV – válvula de zona en la línea de retorno del circuito de calefacción residencial sin actuador.

Uponor Combi Port M-Pro Intercambiador de calor RC

Detalle del producto

Uponor Combi Port M-Pro Intercambiador de calor RC 19 CB BP DI ZV

Documentos

Manual de instalación y funcionamiento
10 KB1143441

Manual de instalación y funcionamiento Combi Port M-Pro (1143441)

Información técnica
12 KB1094902

Información técnica Combi Port and Aqua Port (1094902)

Más información

Especificación

- Puerto completamente ensamblado y probado en presión.
- Los límites técnicos de uso en agua para calefacción y fontanería se muestran en las fichas técnicas.
- Abrazaderas para tubos de plástico para protección acústica y desacoplamiento térmico.
- Válvula PM certificada por DVGW con tecnología patentada de triple sellado.
- Aislamiento térmico en las tuberías de suministro.
- Válvula de derivación termostática.
- Salida de agua fría.
- Espaciador para contador de calor 110 mm x3/4".
- Espaciador para contador de agua 110 mm x3/4".
- Válvula de ventilación y drenaje.
- Colador para agua fría 0,5 mm.
- Filtro para línea de alimentación de calefacción primaria de 0,5 mm.
- Posibilidad de conexión (marcada) de una terminal de tierra eléctrica.
- Máx. Presión de funcionamiento calefacción: PN10.
- Máx. Presión de funcionamiento sanitaria: PN10.
- Máx. Temperatura de funcionamiento: 85 °C.
- Máx. Presión diferencial calefacción primaria: 2,5 bar.
- Mín. Presión sanitaria: 2,0 bar.
- Material racor sanitario: CW617N.
- Calefacción de material de montaje: CW617N, CW614N.
- Material del tubo: acero inoxidable 1.4401.
- Medidas: An/Al/Pr 556 x 620 x 110 mm.

Aplicación

- Generación descentralizada de agua caliente sanitaria instantánea.
- Sistemas de calefacción por suelo radiante.
- Sistemas de calefacción por radiadores.

Certificación

- Homologación DVGW.

Imágenes de producto

1093773_ZMD
1093773
294 B
1093773_REN
1093773
212 B
1093773_LAB
1093773
141 B