Täitke BIM ostukorvi tootekataloogist

Uponor Ventilation kork

- Patenteeritud ühendusmeetod, tihedusklass D
- Pakitud individuaalsesse hügieenilisse pakendisse
- Püsivalt antistaatiline

Uponor Ventilation kork

Toote valik

Uponor Ventilation kork 100mm
Uponor Ventilation kork 125mm
Uponor Ventilation kork 160/125mm

Kirjeldus

Specification

- Tooraine lõhnatu ja mittetoksiline polüpropüleen
- Antistaatiline
- Värvus must

Kasutusala

- Ventilatsiooni torud ja liitmikud

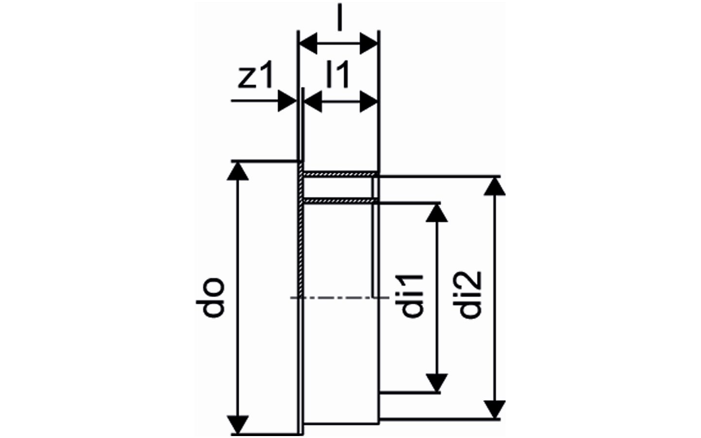
Toote joonised

1068067_REN
1068067
296 B
1068067_REN
1068067
60 B
1068067_ZMD
1068067
63 B