Täitke BIM ostukorvi tootekataloogist

Uponor Ventilation jätk

- Patenteeritud ühendusmeetod, tihedusklass D
- Pakitud individuaalsesse hügieenilisse pakendisse
- Püsivalt antistaatiline

Uponor Ventilation jätk

Toote valik

Uponor Ventilation jätk 100mm
Uponor Ventilation jätk 125mm
Uponor Ventilation jätk 160mm
Uponor Ventilation jätk 200mm

Kirjeldus

Specification

- Tooraine lõhnatu ja mittetoksiline polüpropüleen
- Antistaatiline
- Värvus must

Kasutusala

- Ventilatsiooni torud ja liitmikud

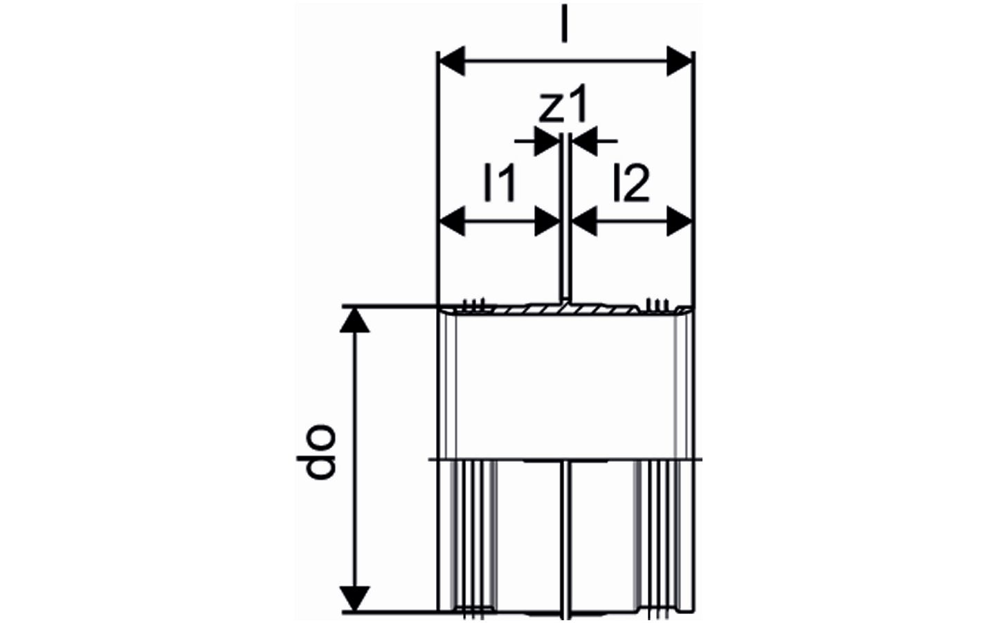
Toote joonised

1068049_REN
1068049
307 B
1068049_REN
1068049
79 B
1068049_ZMD
1068049
64 B