Täitke BIM ostukorvi tootekataloogist

Uponor Ventilation toru

- Kaitsekorkidega torud
- Sisepind püsivalt antistaatiline
- Patenteeritud välispind antistaatiline 2 aastat peale tootmist, et vältida torude määrdumist ladustamisel ja paigaldamisel

Uponor Ventilation toru

Toote valik

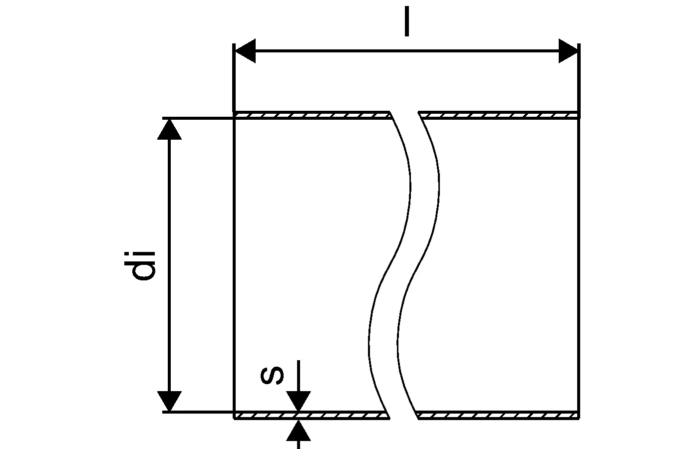
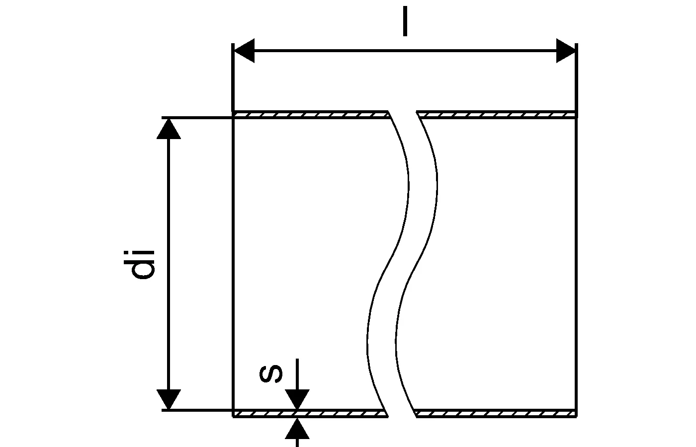
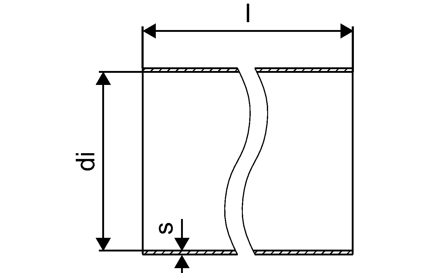
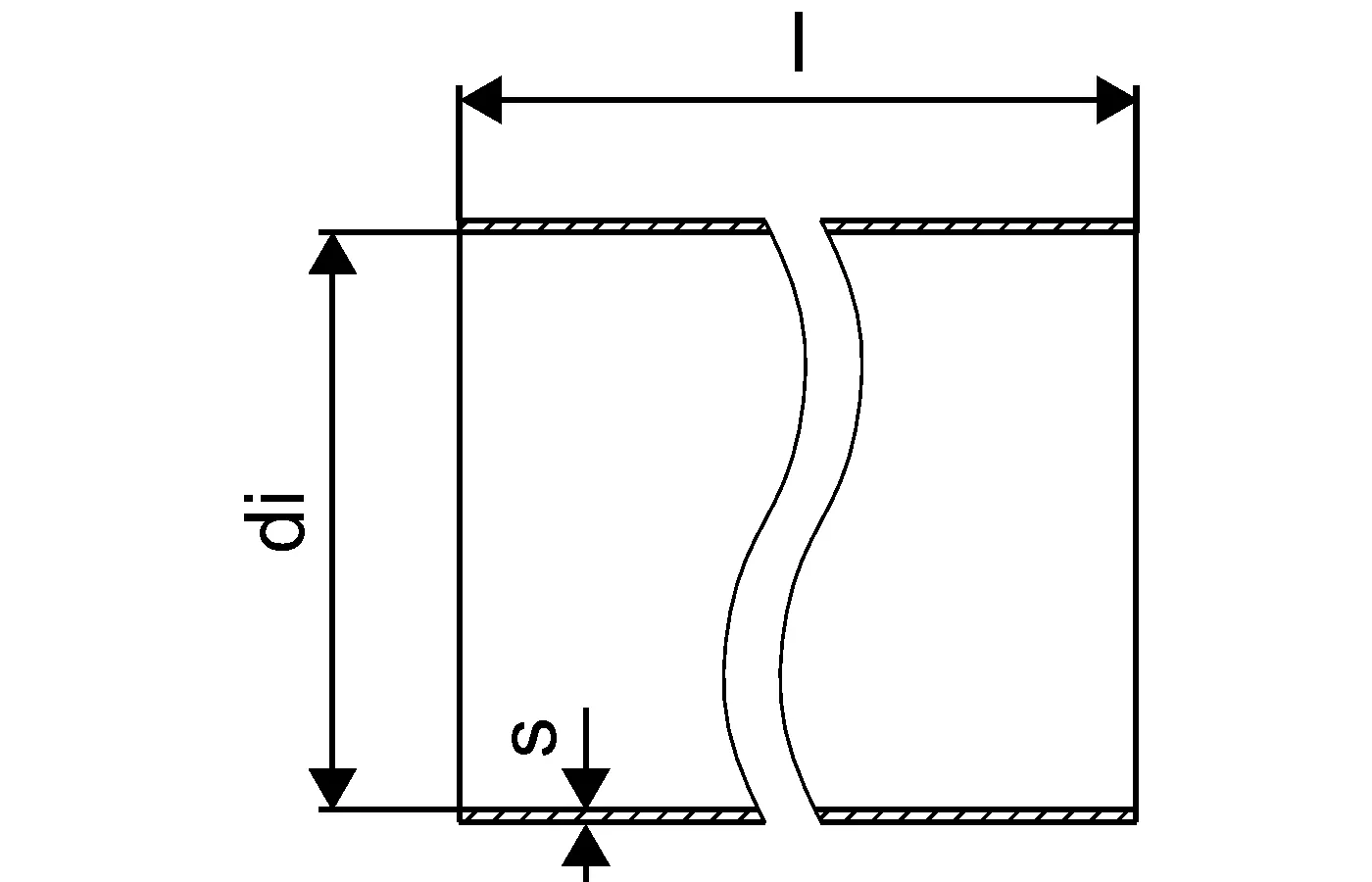
Uponor Ventilation toru 100mm 3m
Uponor Ventilation toru 125mm 3m
Uponor Ventilation toru 160mm 3m
Uponor Ventilation toru 200mm 3m

Kirjeldus

Specification

- Tooraine lõhnatu ja mittetoksiline polüpropüleen
- Antistaatiline
- Värvus must

Kasutusala

- Ventilatsiooni torud ja liitmikud

Toote joonised

1068037_REN
1068037
109 B
1068037_REN
1068037
109 B
1068038_REN
1068038
109 B
1068039_REN
1068039
109 B
1068040_REN
1068040
109 B
1068037_ZMD
1068037
97 B
1068038_ZMD
1068038
97 B
1068039_ZMD
1068039
97 B
1068040_ZMD
1068040
97 B
1068037_LAB
1068037
42 B
1068038_LAB
1068038
42 B
1068039_LAB
1068039
42 B
1068040_LAB
1068040
42 B