Täytä BIM-ostoskori tuoteluettelosta
Asiakaspalvelun sähköpostiosoite on muuttunut - Yhteystiedot

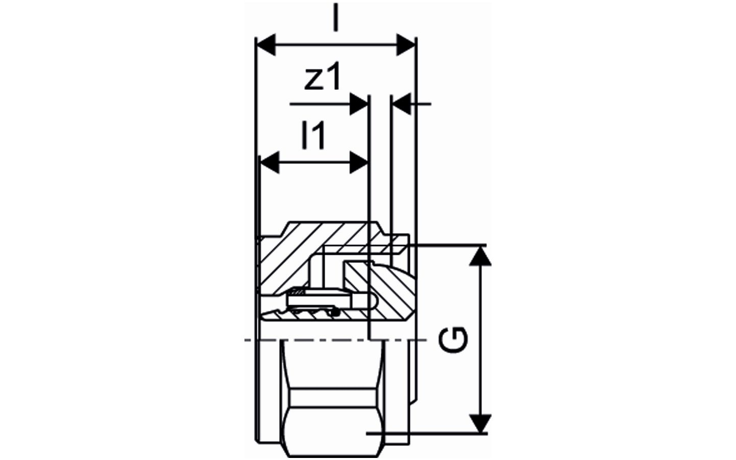
Uponor FPL-X puserrusliitin PEX DR

- Sopii WGF-tukkiin ja muihin 3/4" liitososiin. Mukana tukiholkki, mutteri ja puserrusrengas.

Uponor FPL-X puserrusliitin PEX DR

Tuotetiedot

Uponor FPL-X puserrusliitin PEX DR 12x1,7-G3/4"FT

Dokumentit

Työselitysmallit
1 KB1118689

Tekniset tiedot PE-Xa piping systems (1118689)

Asennusohjeet
145 B1062256

Asennusohje FPL-X compression adapter (1062256)

Tuotekuvat

1067740_REN
1067740
365 B
1067740_REN
1067740
107 B
1067740_ZMD
1067740
74 B