Täytä BIM-ostoskori tuoteluettelosta
Asiakaspalvelun sähköpostiosoite on muuttunut - Yhteystiedot

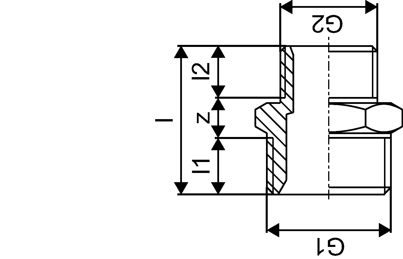
Uponor FPL-X supistusnippa

- Materiaali DR-messinki

Uponor FPL-X supistusnippa

Tuotetiedot

Uponor FPL-X supistusnippa G3/4"MT-G1/2"MT

Dokumentit

Työselitysmallit
1 KB1118689

Tekniset tiedot PE-Xa piping systems (1118689)

Asennusohjeet
145 B1062256

Asennusohje FPL-X compression adapter (1062256)

Tuotekuvat

1034502_LAB
1034502
145 B
1034502_REN
1034502
412 B
1034502_REN
1034502
116 B
1034502_ZMD
1034502
131 B