Täytä BIM-ostoskori tuoteluettelosta

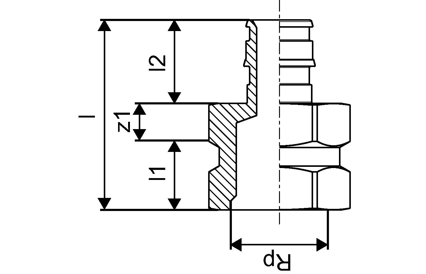
Uponor Q&E suoraliitin sk NKB DR

- Q&E-liitin PEX-putkelle
- Sisäkierre
- Materiaali DR-messinki

Uponor Q&E suoraliitin sk NKB DR

Tuotetiedot

Uponor Q&E suoraliitin sk NKB DR 15-1/2"FT
Uponor Q&E suoraliitin sk NKB DR 22-3/4"FT

Dokumentit

Asennusohjeet
1 KB1121763

Asennusohje Q&E 9,9-50 (1121763)

Työselitysmallit
1 KB1118689

Tekniset tiedot PE-Xa piping systems (1118689)

Asennusohjeet
1 KB1071974

Asennusohje Q&E NKB (1071974)

Hyväksynnät
159 B1120397

UPONOR CER AQUA PIPE SYS MECH EUROFINS EUFI29-20001607-TH FI FI (1120397)

Tietoa

Erittely

- Q&E liittimet ja renkaat Uponor PEX-putkille
- Metalliliittimet sinkkikadon kestävää messinkiä
- Muoviliittimet PPSU:ta

Sovellus

- Ulko- ja sisäkierteet EN 10226-1 mukaisesti.

Tuotekuvat

1025837_ZMD
1025837
138 B
1025840_ZMD
1025840
138 B
1025837_LAB
1025837
71 B
1025840_LAB
1025840
71 B
1025837_REN
1025837
110 B
1025840_REN
1025840
100 B