Napunite BIM košaricu iz kataloga proizvoda
Adresa e-pošte naše korisničke službe se promijenila - Pregled

Uponor Aqua PLUS adapter sa vanjskim navojem PPM

Uponor Aqua PLUS adapter sa vanjskim navojem PPM

Detalji o proizvodu

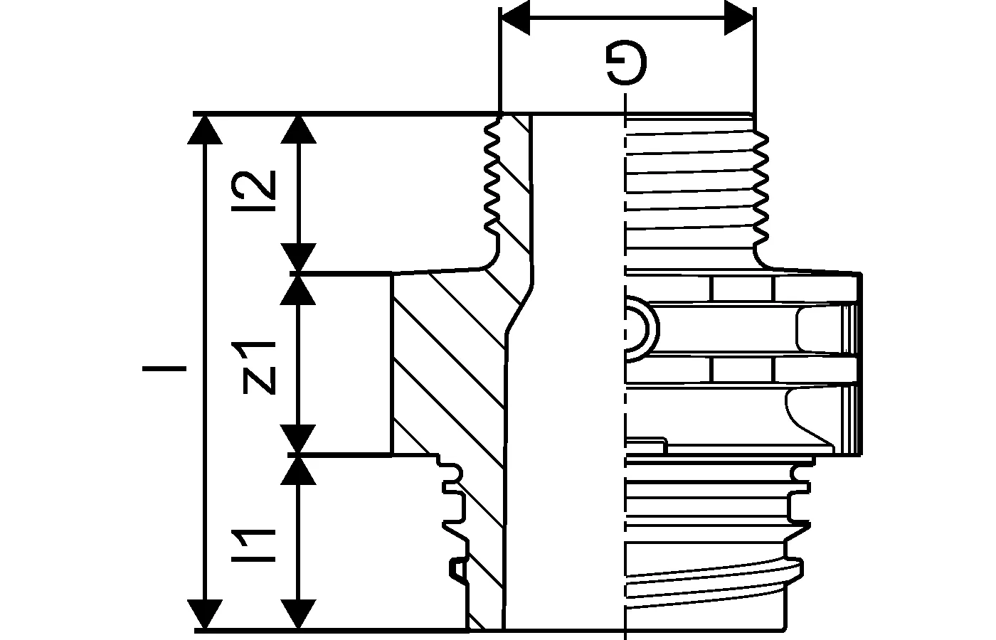
Uponor Aqua PLUS adapter sa vanjskim navojem PPM 1" G3/4"MT

Dokumenti

Tehničke informacije
6 KB1103000

Tehničke informacije Aqua PLUS manifold PPM (1103000)

Priručnik za postavljanje
2 KB1089672

Priručnik za postavljanje Aqua PLUS manifold PPM (1089672)

Općenito

Projektanti

- Vodonepropusni ormarići sukladno NT VVS 129
- Za razdjelnike s c/c 50 mm
- Za M7 čahure/spojnice za ormariće
- Uključuje ormarić, zaštitu od prskanja i komplet dodatne opreme s pričvrsnicama za razdjelnik
- Vrata i okviri (ako je potrebno) naručuju se zasebno
- RAL 9010
- Plastični razdjelnici za ugradnju u vodonepropusne ormariće
- Razdjelnici i dodatna oprema mogu se odvojeno upotrebljavati
- U slučaju uporabe samo razdjelnika, ne može se jamčiti vodonepropusnost ormarića sukladno NT VVS 129
- Metalni fitinzi izrađeni su od visokokvalitetnog mesinga
- Plastični fitinzi izrađeni su od polifenilsulfona
- PPM razdjelnici s navojima

Primjena

- Vodonepropusne instalacije sprječavaju oštećenja u slučaju propuštanja
- Sve vrste instalacija s razdjelnicima

Crteži proizvoda

1048002_REN
1048002
339 B
1048002_REN
1048002
126 B
1048002_LAB
1048002
150 B
1048002_ZMD
1048002
183 B