Detalji o proizvodu
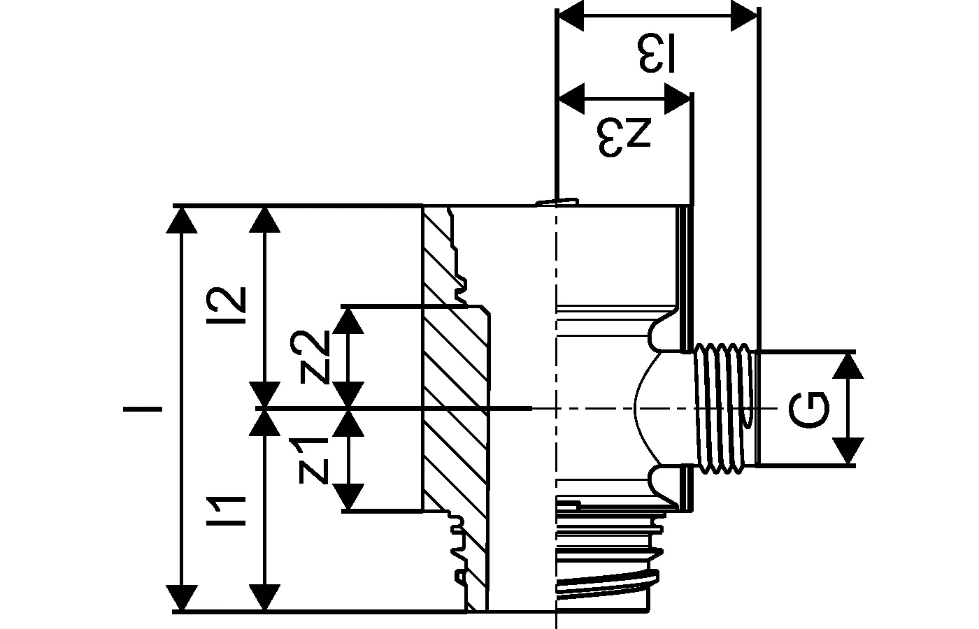
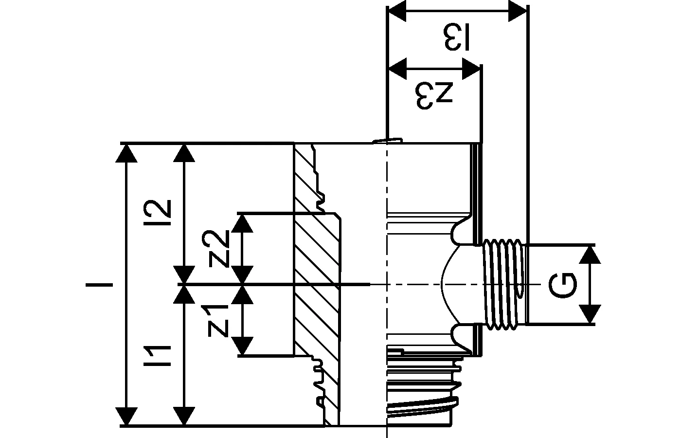
1047997 / - / -
Uponor Aqua PLUS razdjelnik PPM 1" 1xG1/2"MT c/c50mm
Općenito
Projektanti
- Vodonepropusni ormarići sukladno NT VVS 129- Za razdjelnike s c/c 50 mm- Za M7 čahure/spojnice za ormariće- Uključuje ormarić, zaštitu od prskanja i komplet dodatne opreme s pričvrsnicama za razdjelnik- Vrata i okviri (ako je potrebno) naručuju se zasebno- RAL 9010- Plastični razdjelnici za ugradnju u vodonepropusne ormariće- Razdjelnici i dodatna oprema mogu se odvojeno upotrebljavati- U slučaju uporabe samo razdjelnika, ne može se jamčiti vodonepropusnost ormarića sukladno NT VVS 129- Metalni fitinzi izrađeni su od visokokvalitetnog mesinga- Plastični fitinzi izrađeni su od polifenilsulfona- PPM razdjelnici s navojima
Primjena
- Vodonepropusne instalacije sprječavaju oštećenja u slučaju propuštanja- Sve vrste instalacija s razdjelnicima
.jpg?sitename=Global&ext=.jpg&height=440)
.jpg?sitename=Global&ext=.jpg&height=79)
.jpg?sitename=Global&ext=.jpg&height=158)