Detalji o proizvodu
1145656 / - / -
Uponor Q&E priključak sa vanjskim navojem PL W 32-G1"MT
1145657 / - / -
Uponor Q&E priključak sa vanjskim navojem PL W 40xG1 1/4"MT
Dokumenti
Technical manual
Općenito
Projektanti
- Q&E Fitinzi i prsteni za Uponor PE-Xa Cijevi- Metalni Fitinzi izrađeni su od visokokvalitetnog mesinga- Plastični Fitinzi izrađeni su od polifenilsulfona- Q&E prsteni naručuju se odvojeno, ako nije drugačije navedeno
Primjena
Ako nije drugačije navedeno:- Vanjski i unutarnji navoji proizvedeni u skladu sa normom EN 10226-1.
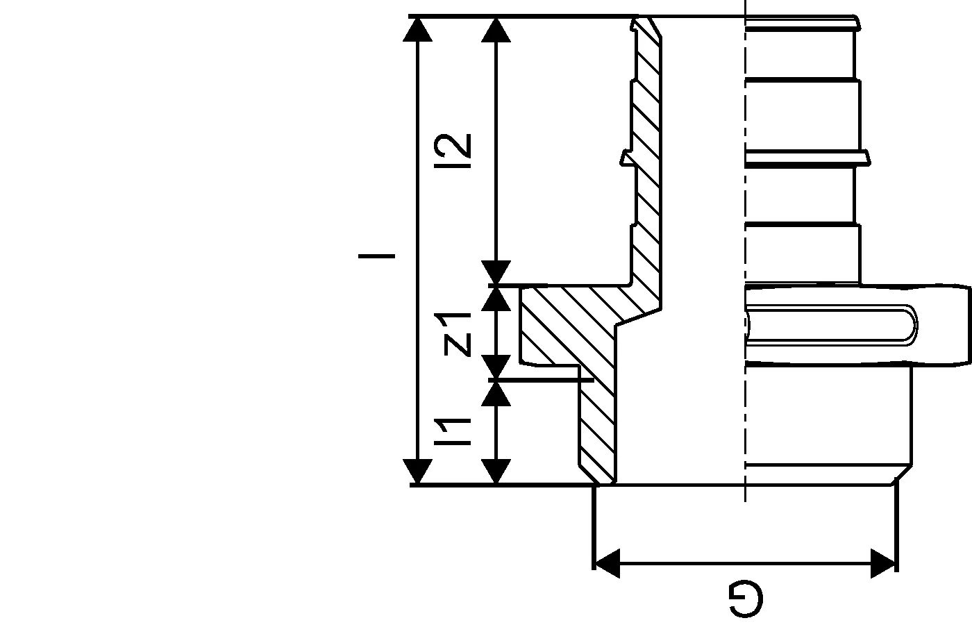
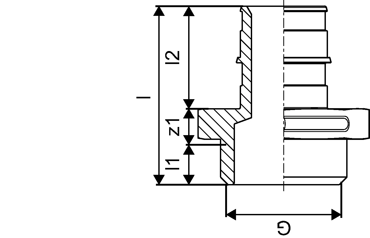
Crteži proizvoda
Iscrtkano
Z-crtež
Naljepnice za skladište
157 B
Download document124 B
Download document124 B
Download document121 B
Download document121 B
Download document.jpg?sitename=Global&ext=.jpg&height=158)