Preencher o cesto de compras BIM a partir do catálogo de produtos
O endereço de e-mail do nosso serviço de apoio ao cliente mudou - Visão geral

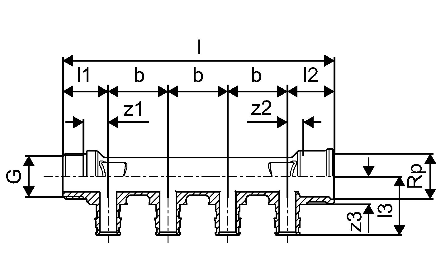
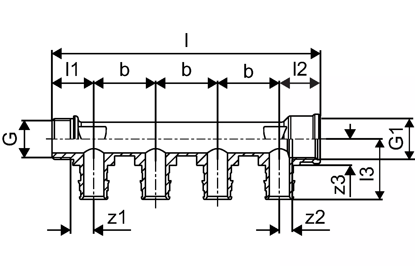
Uponor Q&E coletor macho/fêmea PL

Uponor Q&E coletor macho/fêmea PL

Detalhes do item

Uponor Q&E coletor macho/fêmea PL 3/4"MT/FT 2x16 c/c35mm
Uponor Q&E coletor macho/fêmea PL 3/4"MT/FT 3x16 c/c35mm
Uponor Q&E coletor macho/fêmea PL 3/4"MT/FT 4x16 c/c35mm
Uponor Q&E coletor macho/fêmea PL 3/4"MT/FT 2x20 c/c40mm
Uponor Q&E coletor macho/fêmea PL 3/4"MT/FT 3x20 c/c40mm

Documents

Manual de instalação
1 KB1121763

Manual de instalação Q&E 9,9-50 (1121763)

Memória descritiva
1 KB1118689

Informações técnicas PE-Xa piping systems (1118689)

Certificado de aprovação
106 B1090884

Uponor CER Q&E FIT MECH CERTIF TMP-032-2023PT PT (1090884)

Certificado de aprovação
146 B1090885

Uponor CER Q&E SYS MECH CERTIF TMP-033-2023 PT PT (1090885)

Certificado de aprovação
96 B1030893

Uponor CER Q&E FIT MECH CERTIF_TMP 056-2019_ PT (1030893)

Mais informação

Especificação

- Acessórios plásticos (PPSU) e metálicos (latão) para união dos tubos Uponor de polietileno reticulado (PEX-a).
- A mais vasta gama do mercado com uma grande variedade de acessórios de 16 a 75 mm.
- Possibilidade de realizar uma instalação higiénica completamente plástica.

Aplicação

- Roscas macho/fêmea de acordo com a EN 10226-1.

Product drawings

1023027_ZMD
1023027
182 B
1023028_ZMD
1023028
182 B
1023029_ZMD
1023029
182 B
1047924_ZMD
1047924
178 B
1047925_ZMD
1047925
178 B
1023027_LAB
1023027
96 B
1023028_LAB
1023028
80 B
1023029_LAB
1023029
70 B
1047924_LAB
1047924
96 B
1047925_LAB
1047925
87 B
1023027_REN
1023027
156 B
1023028_REN
1023028
118 B
1023029_REN
1023029
349 B
1023029_REN
1023029
119 B
1047924_REN
1047924
566 B
1047924_REN
1047924
174 B
1047925_REN
1047925
143 B