Napunite BIM korpu za kupovinu iz kataloga proizvoda
Adresa e-pošte naše korisničke službe je promenjena – Pregled

Uponor Uni-C nosač SH

Razdelnici i dodatna oprema

Uponor Uni-C nosač SH

Detalji o proizvodu

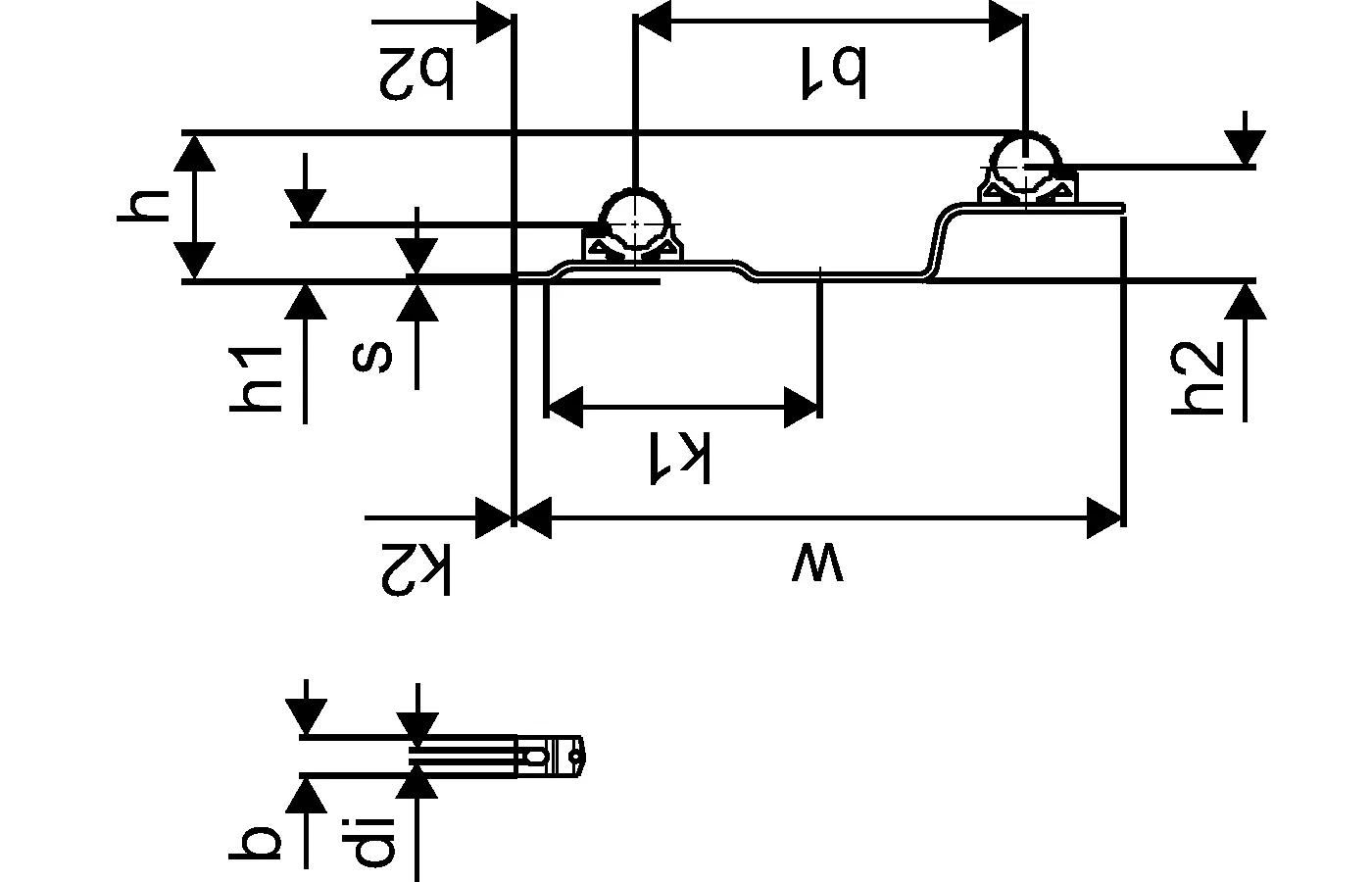
Uponor Uni-C nosač SH 3/4" 1"

Dokumenti

Izveštaj o instalacijama
116 B1120119

Izveštaj o instalacijama MLC leak test report TW water (1120119)

Izveštaj o instalacijama
127 B1120120

Izveštaj o instalacijama MLC flushing protocol TW water (1120120)

Izveštaj o instalacijama
110 B1120118

Izveštaj o instalacijama MLC leak test report TW air-gas (1120118)

Crteži proizvoda

1045451_LAB
1045451
63 B
1045451_ZMD
1045451
144 B
1045451_REN
1045451
138 B
1045451_REN
1045451
58 B