Napunite BIM korpu za kupovinu iz kataloga proizvoda
Adresa e-pošte naše korisničke službe je promenjena – Pregled

Uponor Q&E adapter UN PPSU

Uponor Q&E adapter UN PPSU

Detalji o proizvodu

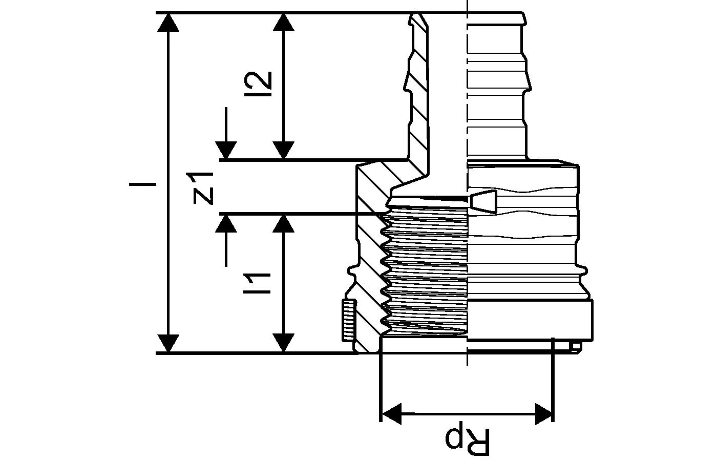
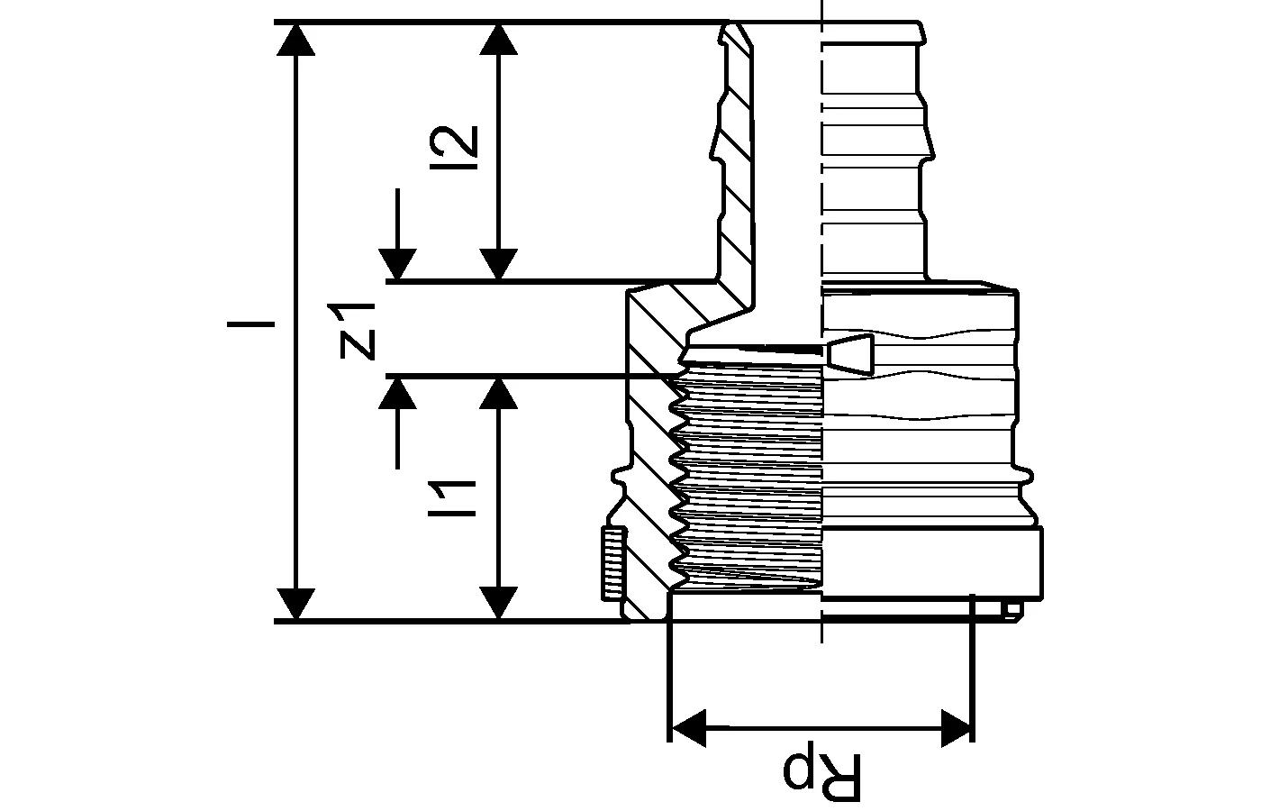
Uponor Q&E adapter UN PPSU 16-Rp1/2"FT
Uponor Q&E adapter UN PPSU 20-Rp3/4"FT
Uponor Q&E adapter UN PPSU 25-Rp3/4"FT

Dokumenti

Uputstvo za instalaciju
1 KB1121763

Uputstvo za instalaciju Q&E 9,9-50 (1121763)

Tehničke informacije
1 KB1118689

Tehničke informacije PE-Xa piping systems (1118689)

Generalne informacije

Specification

- Q&E fitinzi i prstenovi za Uponor Pex cevi
- Metalni fitinzi su izrađeni od visokokvalitetnog mesinga
- Plastični fitinzi su izrađeni od polifenilsulfona
- Q&E prstenovi se moraju naručiti odvojeno ako nije navedeno drugačije

Application

ako nije drugačije navedeno:
- Muški i ženski navoji prema EN 10226-1.

Crteži proizvoda

1042329_ZMD
1042329
186 B
1042331_ZMD
1042331
186 B
1042332_ZMD
1042332
186 B
1042329_LAB
1042329
145 B
1042331_LAB
1042331
145 B
1042332_LAB
1042332
145 B
1042329_REN
1042329
318 B
1042329_REN
1042329
116 B
1042331_REN
1042331
151 B
1042332_REN
1042332
161 B