Napunite BIM korpu za kupovinu iz kataloga proizvoda
Adresa e-pošte naše korisničke službe je promenjena – Pregled

Uponor Q&E elbow adapter female thread PL

Uponor Q&E elbow adapter female thread PL

Detalji o proizvodu

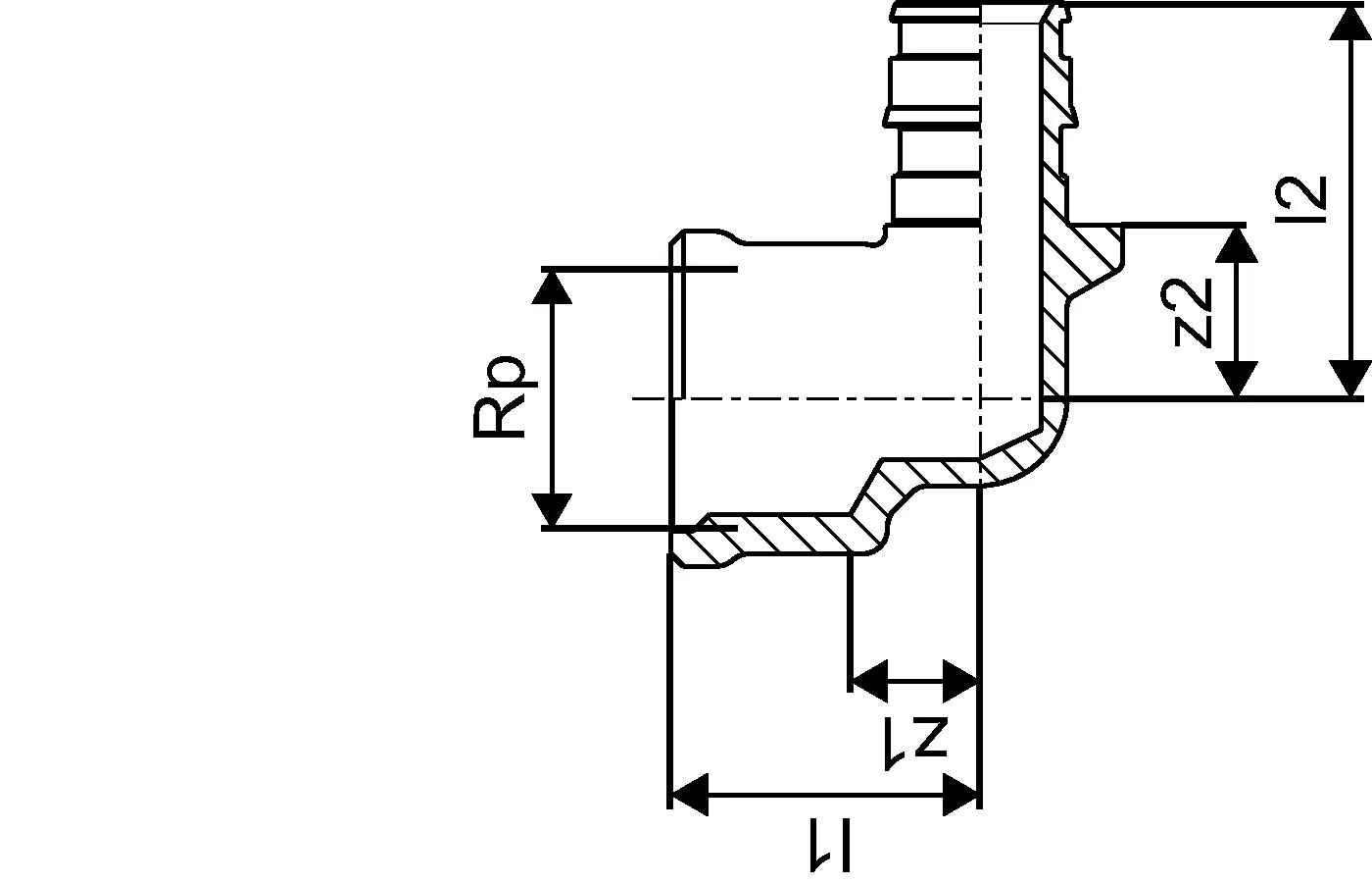
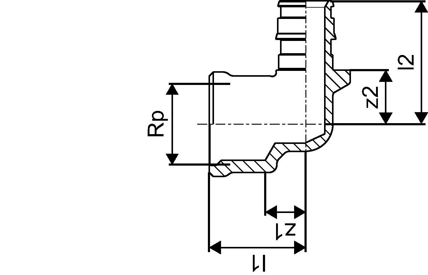
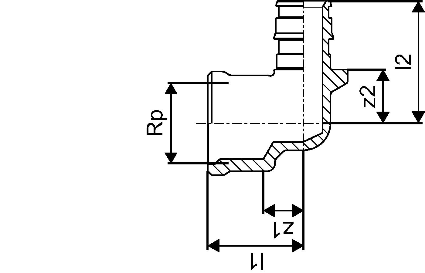
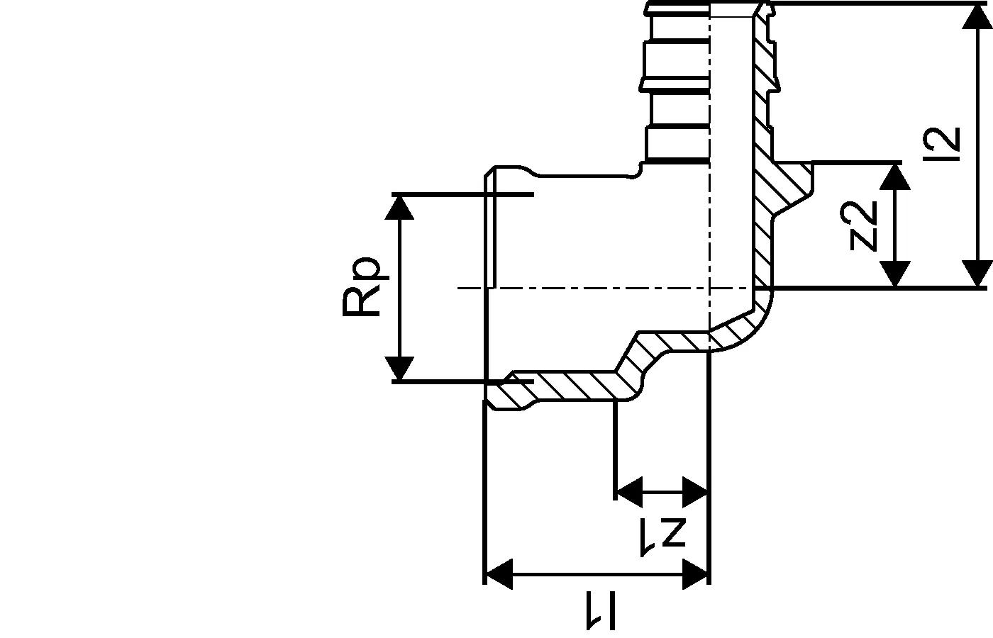
Uponor Q&E elbow adapter female thread PL 16-G1/2"FT
Uponor Q&E elbow adapter female thread PL 20-G1/2"FT
Uponor Q&E elbow adapter female thread PL 25-G3/4"FT
Uponor Q&E elbow adapter female thread PL 20-G3/4"FT

Dokumenti

Uputstvo za instalaciju
1 KB1121763

Uputstvo za instalaciju Q&E 9,9-50 (1121763)

Tehničke informacije
1 KB1118689

Tehničke informacije PE-Xa piping systems (1118689)

Generalne informacije

Specification

- Q&E fitinzi i prstenovi za Uponor Pex cevi
- Metalni fitinzi su izrađeni od visokokvalitetnog mesinga
- Plastični fitinzi su izrađeni od polifenilsulfona
- Q&E prstenovi se moraju naručiti odvojeno ako nije navedeno drugačije

Application

ako nije drugačije navedeno:
- Muški i ženski navoji prema EN 10226-1.

Crteži proizvoda

1145644_REN
1145644
123 B
1145645_REN
1145645
72 B
1145652_REN
1145652
80 B
1145674_REN
1145674
75 B
1145644_ZMD
1145644
120 B
1145645_ZMD
1145645
120 B
1145652_ZMD
1145652
120 B
1145674_ZMD
1145674
120 B
1145644_LAB
1145644
144 B
1145645_LAB
1145645
144 B
1145652_LAB
1145652
144 B
1145674_LAB
1145674
144 B