Napunite BIM korpu za kupovinu iz kataloga proizvoda

Uponor Q&E tee adapter female thread PL

Uponor Q&E tee adapter female thread PL

Detalji o proizvodu

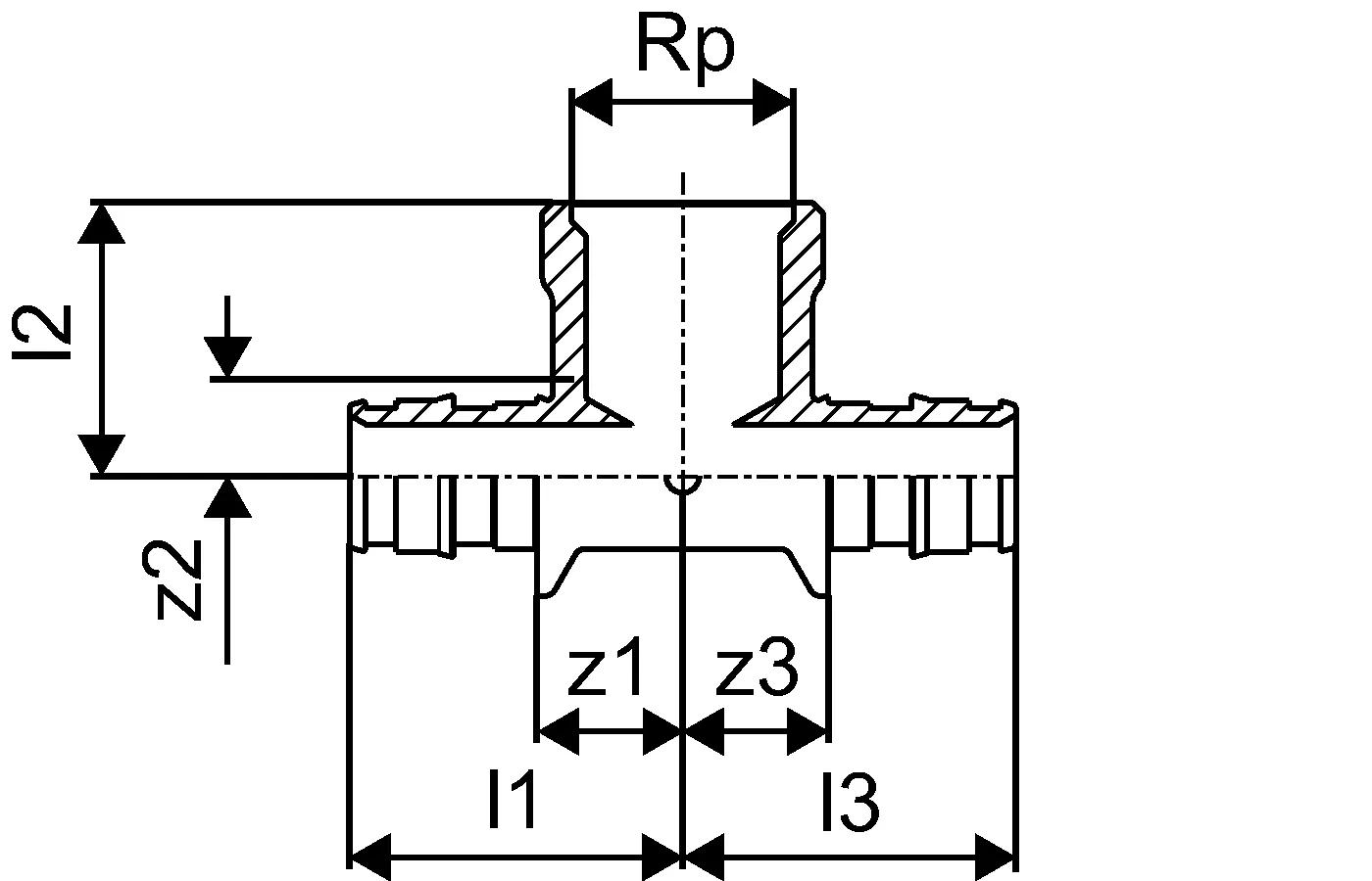
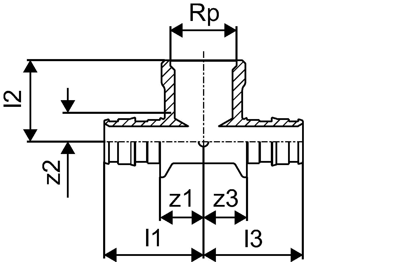
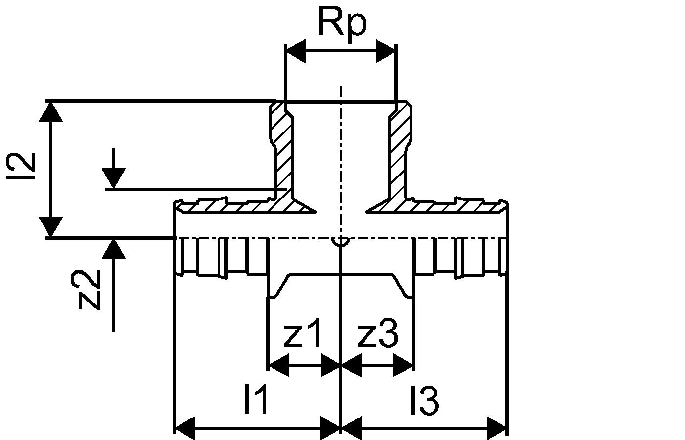
Uponor Q&E tee adapter female thread PL 16-RP1/2"FT-16
Uponor Q&E tee adapter female thread PL 20-RP1/2"FT-20
Uponor Q&E tee adapter female thread PL 25-RP3/4"FT-25

Dokumenti

Uputstvo za instalaciju
1 KB1121763

Uputstvo za instalaciju Q&E 9,9-50 (1121763)

Tehničke informacije
1 KB1118689

Tehničke informacije PE-Xa piping systems (1118689)

Generalne informacije

Specification

- Q&E fitinzi i prstenovi za Uponor Pex cevi
- Metalni fitinzi su izrađeni od visokokvalitetnog mesinga
- Plastični fitinzi su izrađeni od polifenilsulfona
- Q&E prstenovi se moraju naručiti odvojeno ako nije navedeno drugačije

Application

ako nije drugačije navedeno:
- Muški i ženski navoji prema EN 10226-1.

Crteži proizvoda

1145691_REN
1145691
163 B
1145692_REN
1145692
90 B
1145693_REN
1145693
85 B
1145691_ZMD
1145691
151 B
1145692_ZMD
1145692
151 B
1145693_ZMD
1145693
151 B
1145691_LAB
1145691
112 B
1145692_LAB
1145692
112 B
1145693_LAB
1145693
112 B