Napunite BIM korpu za kupovinu iz kataloga proizvoda
Adresa e-pošte naše korisničke službe je promenjena – Pregled

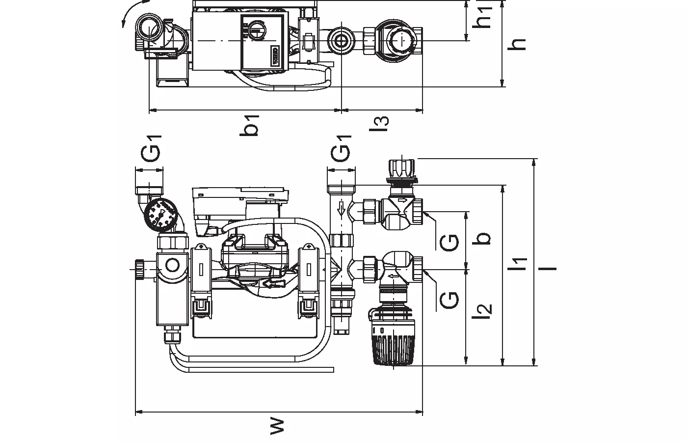
Uponor Fluvia T pumpna grupa KRS-6

- Integrisana pumpa: Q: 0,1–0,4 m³/h, H: 0,2–1,1 m, Phyd < 1 W
- Nosač za instalaciju na levoj ili desnoj strani
- Vijak za ispuštanje vazduha
- Temperatura sekundarnog kola. opseg 20–50 °C
- Balansni ventil
- Sekundarna petlja 3/4" eurocone
- Primarni ventili sa steznom vezom za CU-Pipe 15 mm
- Za kontrolu UFH u malim zonama
- Maks. primarna temperatura: 90 °C
- Maks. sekundarna temperatura: 55 °C
- Za instalaciju na Uponor razvodnim cevima
- Veza, G1 (MT) sekundarna
- Kuglični ventil + balansni ventil, primarni Rp 3/4 (FT)
- Termostatska kontrola snabdevanja vodom (20–55 °C)
- Ograničenje maks. temperature za montiranje na površinu

Uponor Fluvia T pumpna grupa KRS-6

Detalji o proizvodu

Uponor Fluvia T pumpna grupa KRS-6

Generalne informacije

Specification

- Integrisana pumpa: Q: 0,1 - 0,4 m³/h, H: 0,2 - 1,1 m, Phyd&It< 1W
- Nosač za levu ili desnu instalaciju
- Vijak za ispuštanje vazduha
- Temperaturni opseg sekundarnog kola 20-50°C
- Ventil za balansiranje
- Sekundarna petlja 3/4"" eurokonus
- Primarni ventili sa steznim priključkom za CU-cev 15mm

Application

- Za kontrolu UFH u malim zonama
- Maks. primarna temperatura: 90°C
- Maks. sekundarna temperatura: 55°C

Crteži proizvoda

1119443_LAB
1119443
118 B
1119443_ZMD
1119443
276 B
1119443_REN
1119443
102 B