Napunite BIM korpu za kupovinu iz kataloga proizvoda

Uponor Aqua Ambient tačkasti ulaz odvoda, nadole classic/arco

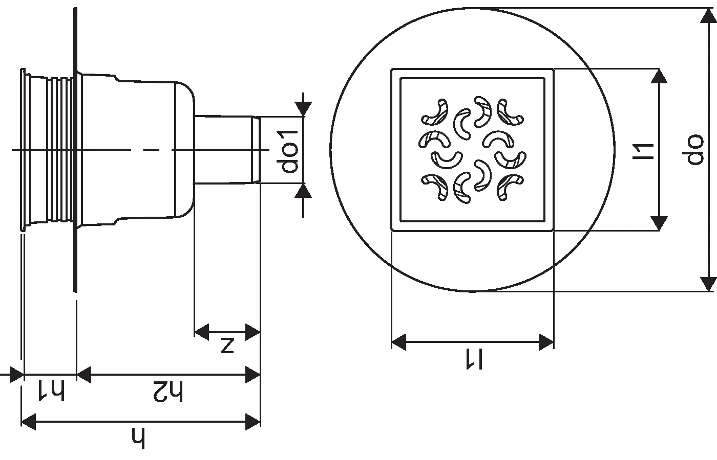
- veza sa kanalizacionim cevima DN 50
- brzina protoka: 0,8 l/s
- materijal rešetke: nerđajući čelik
- materijal tela: polipropilen

Uponor Aqua Ambient tačkasti ulaz odvoda, nadole classic/arco

Detalji o proizvodu

Uponor Aqua Ambient tačkasti ulaz odvoda, nadole classic/arco FI 50

Dokumenti

Uputstvo za instalaciju
577 B1139871

Uputstvo za instalaciju Aqua Ambient point drain inlets (1139871)

Generalne informacije

Specification

- Moderna konstrukcija i dizajn pun stila u različitim veličinama: 600, 700, 800, 900, 1000 mm
- Široki zaptivni prsten (30 mm) koji obezbeđuje dobro spajanje u konstrukciji poda
- Podesiva visina i noge koje mogu da se pričvrste za integraciju u svaku vrstu konstrukcije poda
- Laka instalacija zahvaljujući kompletnosti proizvoda i kompatibilnosti sa sistemom za instalaciju otpadnih voda (dimenzijom cevi za otpadne vode)

Application

- Kanalizacioni sistemi za domaćinstva

Certification

- Tehnička procena prema EN 1253

Crteži proizvoda

1136462_REN
1136462
88 B
1136462_LAB
1136462
106 B
1136462_ZMD
1136462
193 B