Iz kataloga izdelkov napolnite košarico BIM

Uponor Ecoflex jašek

- jašek za priključitev cevi
- PE ohišje z izolacijo in redukcijo
- na voljo T in X izvedba
- transportna obremenitev 500kg, večja obremenitev ob uporabi posebne betonske plošče

Uponor Ecoflex jašek

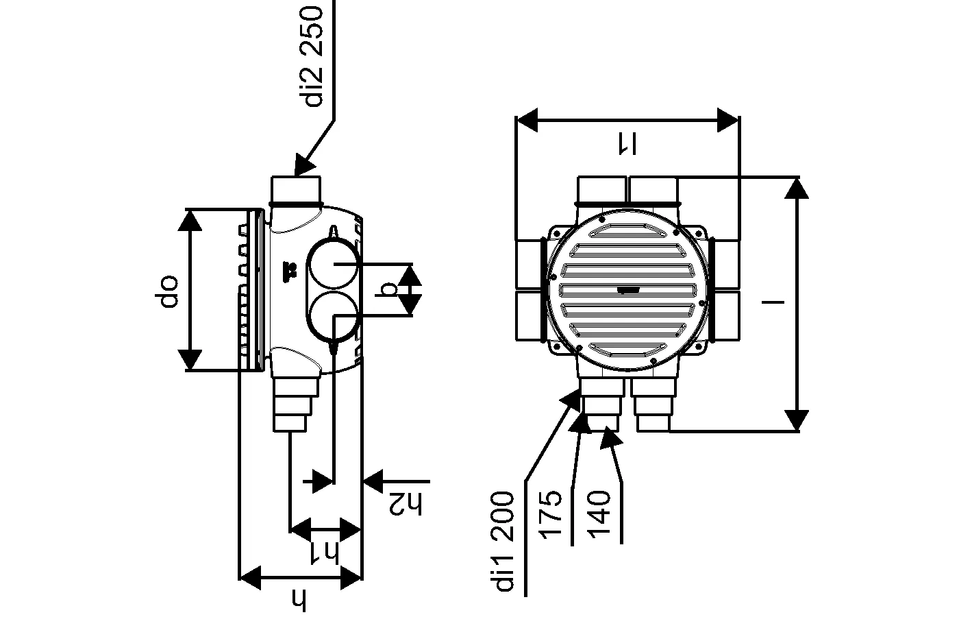
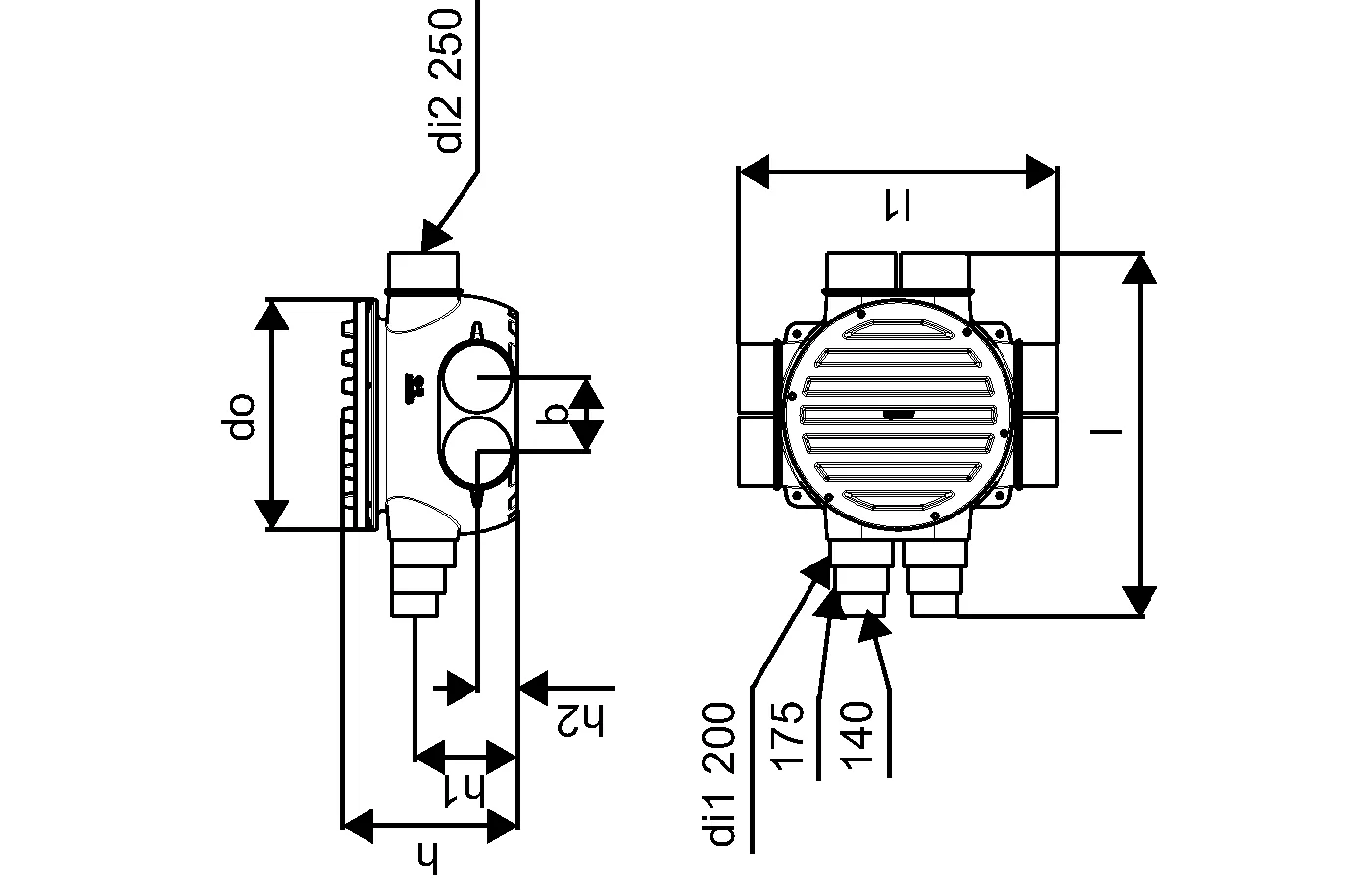
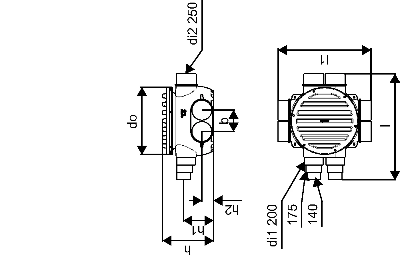
Detajli izdelka

Uponor Ecoflex jašek 6x140/175/200
Uponor Ecoflex jašek 8x140/175/200
Uponor Ecoflex jašek 2x250-6x140/175/200
Uponor Ecoflex jašek 4x250-4x140/175/200
Uponor Ecoflex jašek 6x250-2x140/175/200

Dokumenti

Informacija o izdelku
681 B1092066

Informacija o izdelku Ecoflex heavy traffic load (1092066)

Montažna navodila
601 B1071353

Montažna navodila Ecoflex chamber (1071353)

Tehnične informacije
10 KB1120217

Tehnični podatki Ecoflex piping systems (1120217)

Splošno

Specifikacije

- vsi dodatki so korozijsko odporni

Uporaba

- Ecoflex pribor je načrtovan za zapolnitev asortimana za zakopane instalacije

Certifikat

- potrdila/certifikate mora preveriti lokalno odgovorna oseba

Risbe izdelkov

1018326_ZMD
1018326
185 B
1018327_ZMD
1018327
185 B
1084576_ZMD
1084576
180 B
1084577_ZMD
1084577
179 B
1084578_ZMD
1084578
179 B
1018326_LAB
1018326
118 B
1018327_LAB
1018327
118 B
1084576_LAB
1084576
114 B
1084577_LAB
1084577
88 B
1084578_LAB
1084578
108 B
1018326_REN
1018326
105 B
1018327_REN
1018327
272 B
1018327_REN
1018327
105 B
1084576_REN
1084576
97 B
1084577_REN
1084577
95 B
1084578_REN
1084578
92 B